Description





Metric
Imperial
Main Dimensions & Performance Data
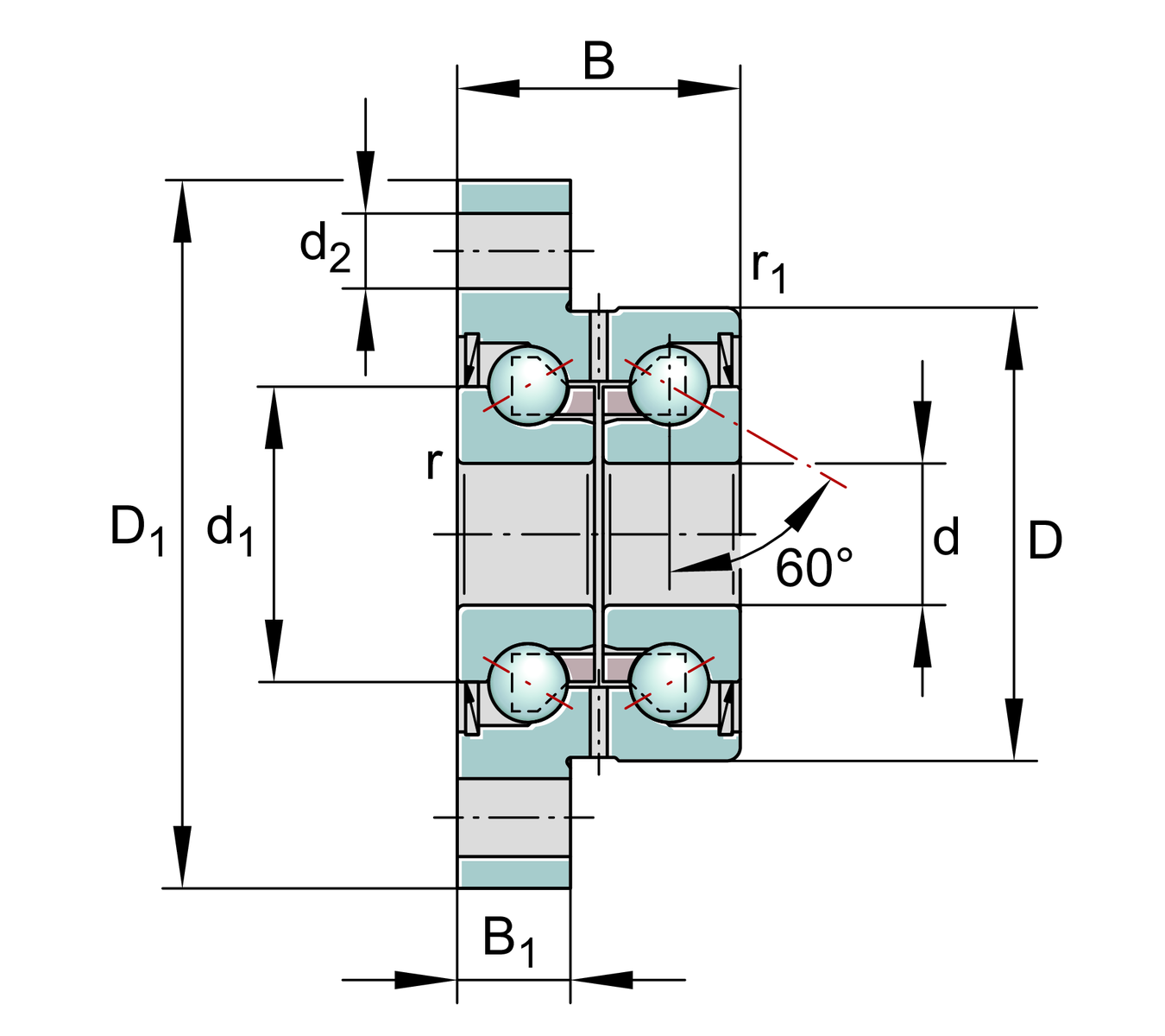
| d | 8 mm | Bore diameter |
| 0 mm | Bore diameter upper tolerance | |
| -0.005 mm | Bore diameter lower tolerance | |
| D | 32 mm | Outside diameter |
| 0 mm | Outside diameter upper tolerance | |
| -0.01 mm | Outside diameter lower tolerance | |
| B | 20 mm | Width |
| 0 mm | Width upper tolerance | |
| -0.25 mm | Width lower tolerance | |
| Ca | 12,500 N | Basic dynamic load rating, axial |
| C0a | 16,300 N | Basic static load rating, axial |
| Cua | 740 N | Fatigue load limit, axial |
| nG Grease | 12,100 1/min | Limiting speed for grease lubrication |
| ≈m | 0.131 kg | Weight |
Mounting dimensions
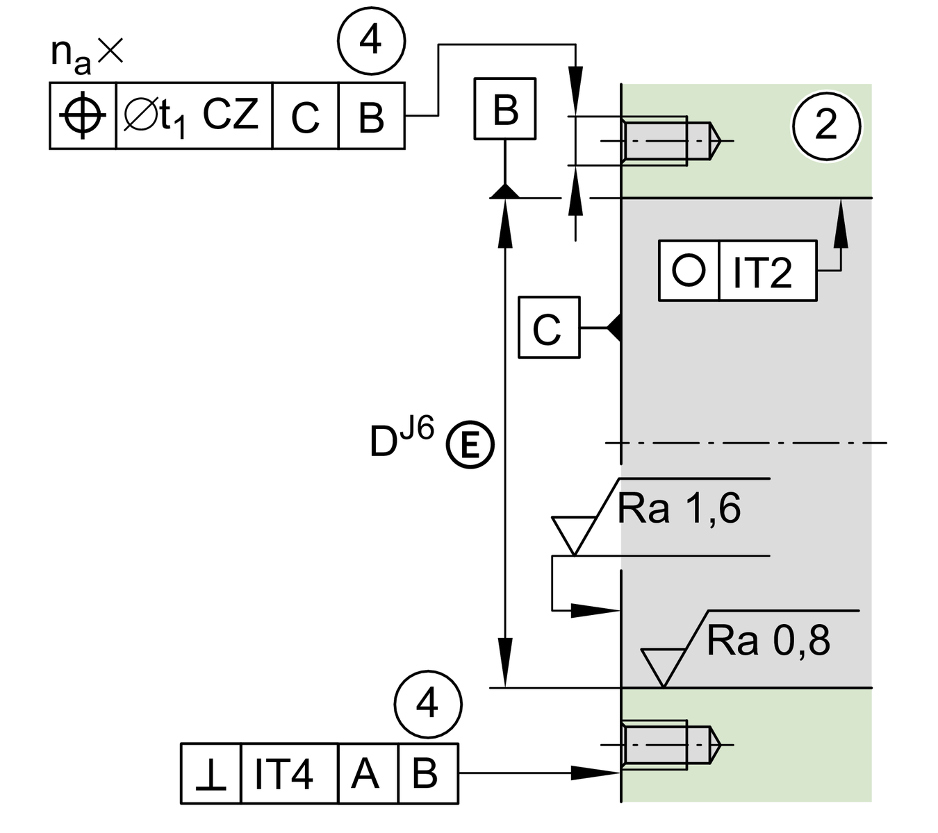
| da min | 11 mm | Minimum diameter shaft shoulder |
| da max | 25 mm | Maximum diameter of shaft shoulder |
| t1 | 0.1 mm | position tolerance |
| M5 | Screw size | |
| na | 4 | Number of screws |
Dimensions
| d1 | 19 mm | Rib diameter inner ring |
| rmin | 0.3 mm | Minimum chamfer dimension |
| r1 min | 0.6 mm | Minimum chamfer dimension |
| B1 | 8 mm | Thickness of flange |
| d2 | 5.5 mm | Fixing boring diameter |
| J | 40 mm | Pitch circle diameter (holes) |
| A | 35 mm | Flange width |
Temperature range
| Tmin | -30 °C | Operating temperature min. |
| Tmax | 120 °C | Operating temperature max. |
Additional information
| MRL | 0.08 Nm | Bearing friction torque |
| caL | 250 N/µm | Rigidity axial |
| ckL | 20 Nm/mrad | Tilting stiffness |
| Mm | 0.02 kg*cm2 | Mass moment of inertia |
| 2 µm | Axial runout | |
| ZM08 | recommended INA precision locknut for radial locking (not included) | |
| MA | 4 Nm | Tightening torque nut |
| 3,468 N | Locknut force axial |
Downloads:
Your current product variant
| Sealing | 2RS | Contact lip seals on both sides |
Characteristics




