Avada Car Dealership Logo

XSU080318

Home » Product » XSU080318

XSU080318

Slewing ring, Crossed roller bearing, without gear teeth

Crossed roller bearings standard series 08, without gear teeth, lamellar seals on both sides

Description

XSU080318

Metric

Imperial

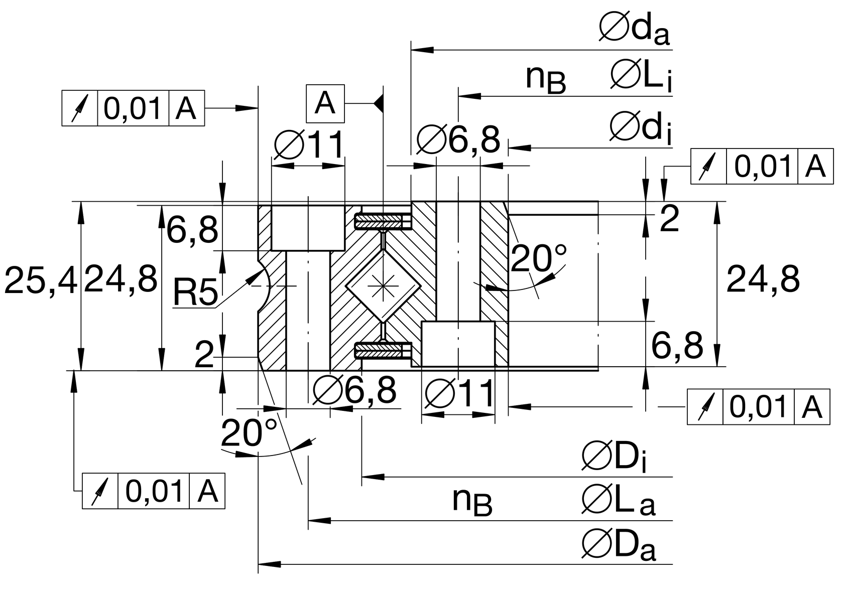
Main Dimensions & Performance Data
di280 mmBore Diameter
0.032 mmBore diameter upper tolerance
0 mmBore diameter lower tolerance
Da355 mmOutside Diameter
0 mmOutside diameter upper tolerance
-0.036 mmOutside diameter lower tolerance
H25.4 mmHeight
≈m6.1 kgWeight
Dimensions
Di324 mmInner diameter outer ring
ha24.8 mmheight outer ring
La340 mmPitchcircle diameter fixing holes outer ring
na28 Number of fixing holes in outer ring
da309 mmOutside diameter inner ring
hi24.8 mmheight of inner ring
dB6.8 mmFixing bore
dS11 mmCounterbore diameter of fixing holes
tS6.8 mmCounterbore depth of fixing holes
Li295 mmPitchcircle diameter fixing holes inner ring
ni28 Number of fixing holes in inner ring
rgroove5 mmGroove radius
0.01 mmRunning accuracy A (related to the raceway)
Temperature range
Tmin-30 °COperating temperature min.
Tmax80 °COperating temperature max.
Calculation factors
Ca93,000 NBasic dynamic load rating, axial
Cr66,000 NBasic dynamic load rating, radial (for radial load only)
C0a465,000 NBasic static load rating, axial
C0r227,000 NBasic static load rating, radial (for radial load only)
nG120 1/minLimiting speed
Fr zu.19,100 NMax. radial load screws

Characteristics

clusteriteminfo.radialloadtranslation
clusteriteminfo.axialloadinonedirectiontranslation
clusteriteminfo.axialloadintwodirectionstranslation
clusteriteminfo.momentsaboutallaxestranslation
clusteriteminfo.greaselubricationtranslation
clusteriteminfo.sealedonbothsidestranslation
clusteriteminfo.largebearingtranslation

recently added Bearing

Title

Go to Top