Description

Metric
Imperial
Main Dimensions & Performance Data
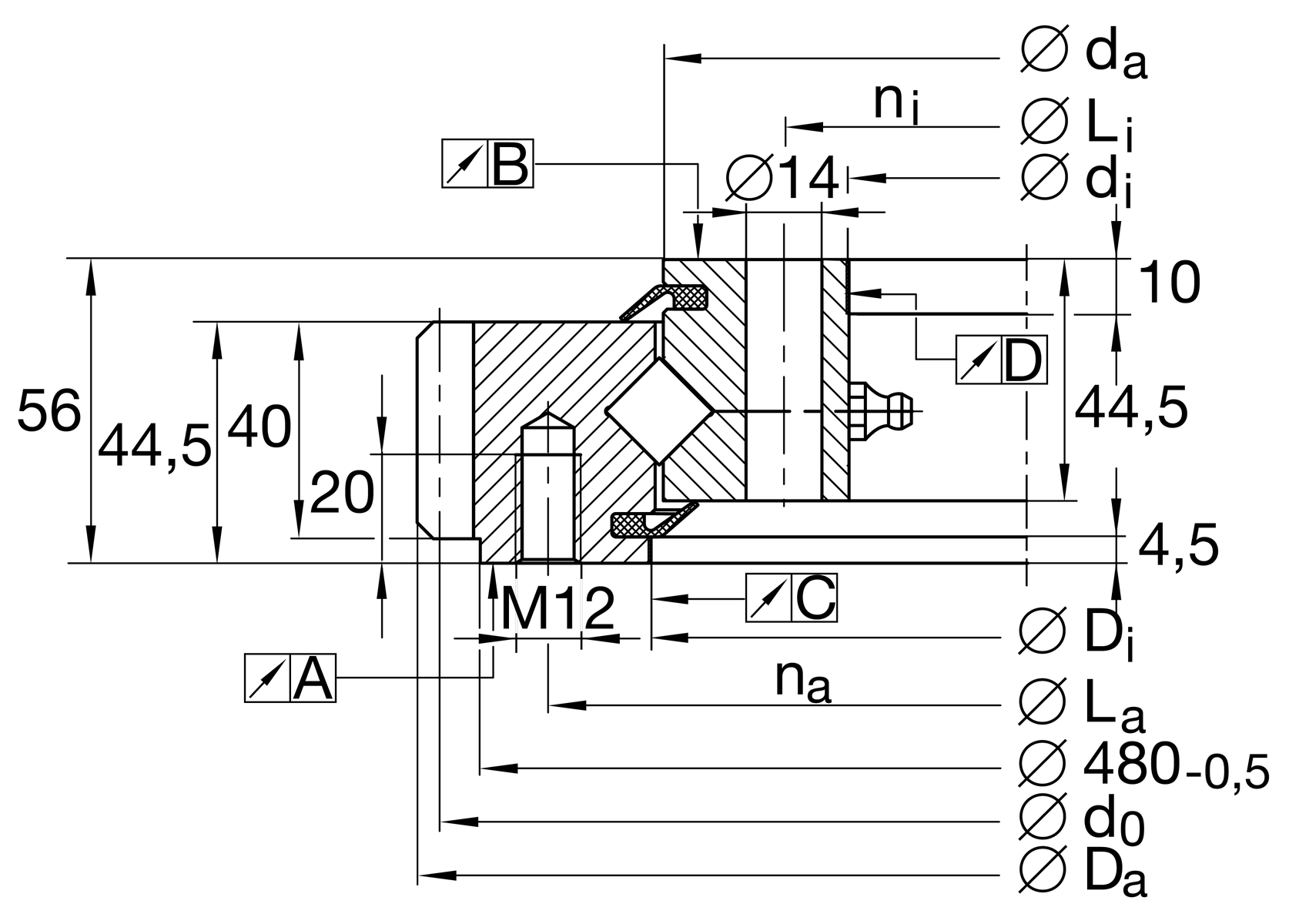
| diZT | 674 mm | Diameter centring inner ring |
| IT7 | Diameter centring inner ring tolerance | |
| t | 10 mm | Length centering inner ring |
| Da | 838.1 mm | Outside Diameter |
| Di ZT | 747 mm | Diameter centring outer ring |
| IT7 mm | Diameter centring outer ring tolerance | |
| T | 4.5 mm | Length centering outer ring |
| H | 56 mm | Height |
| ≈m | 60 kg | Weight |
Dimensions
| ha | 44.5 mm | Width outer ring |
| La | 785 mm | Pitchcircle diameter fixing holes outer ring |
| na | 36 | Number of fixing holes in outer ring |
| b | 44.5 mm | Width gearing |
| m | 6 mm | Modul of gearing |
| z | 138 | Number of teeth |
| d0 | 828 mm | Pitch circle diameter gearing |
| Fz norm | 21,300 N | Max. tooth force root fatigue strenght (at a shock factor of 1,2) |
| Fz max | 31,500 N | Max. tooth force against tooth fracture (at a shock factor of 1,35) |
| da | 743 mm | Outside diameter inner ring |
| 0 mm | Outside diameter inner ring upper tolerance | |
| -0.6 mm | Outside diameter inner ring lower tolerance | |
| h | 44.5 mm | height of individual ring |
| dB | 14 mm | Fixing bore |
| Li | 698 mm | Pitchcircle diameter fixing holes inner ring |
| ni | 40 | Number of fixing holes in inner ring |
| M12 | Tread fixing bore | |
| tG | 20 mm | Thread depth oil connector |
| 0.05 mm | Running accuracy A (related to the raceway) | |
| 0.05 mm | Running accuracy B (related to the raceway) | |
| 0.08 mm | Running accuracy C (related to the raceway) | |
| 0.08 mm | Running accuracy D (related to the raceway) |
Temperature range
| Tmin | -25 °C | Operating temperature min. |
| Tmax | 80 °C | Operating temperature max. |
Calculation factors
| Ca | 275,000 N | Basic dynamic load rating, axial |
| C0a | 970,000 N | Basic static load rating, axial |
| Cr | 195,000 N | Basic dynamic load rating, radial (for radial load only) |
| C0r | 475,000 N | Basic static load rating, radial (for radial load only) |
| VSPmax | 0.04 mm | Maximum bearing preload |
| VSPmin | 0.01 mm | Min. bearing preload |
| Fr zul | 148,700 N | Max. radial load fixing screws (friction locking) |
Downloads:
Your current product variant
| Gearing | N | Normalized gear teeth on bearing ring |
Characteristics




