Description

Metric
Imperial
Main Dimensions & Performance Data
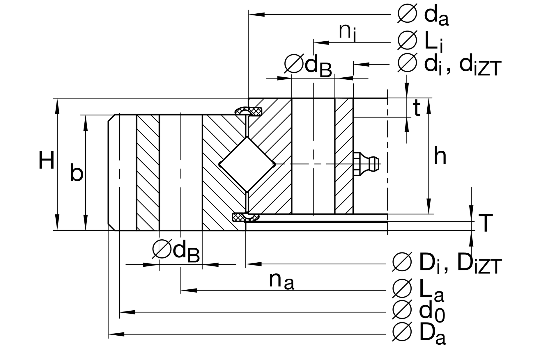
| d1 | 171 mm | Bore Diameter |
| Da | 318.8 mm | Outside Diameter |
| H | 40 mm | Height |
| ≈m | 13.21 kg | Weight |
Dimensions
| Di | 236 mm | Inner diameter outer ring |
| ha | 35 mm | Width outer ring |
| La | 275 mm | Pitchcircle diameter fixing holes outer ring |
| na | 12 | Number of fixing holes in outer ring |
| b | 35 mm | Width gearing |
| m | 4 mm | Modul of gearing |
| z | 78 | Number of teeth |
| d0 | 312 mm | Pitch circle diameter gearing |
| Fz norm | 11,000 N | Max. tooth force root fatigue strenght (at a shock factor of 1,2) |
| Fz max | 16,100 N | Max. tooth force against tooth fracture (at a shock factor of 1,35) |
| da | 234 mm | Outside diameter inner ring |
| 0.2 mm | Outside diameter inner ring upper tolerance | |
| -0.2 mm | Outside diameter inner ring lower tolerance | |
| h | 35 mm | height of individual ring |
| dB | 13 mm | Fixing bore |
| Li | 195 mm | Pitchcircle diameter fixing holes inner ring |
| ni | 12 | Number of fixing holes in inner ring |
Temperature range
| Tmin | -30 °C | Operating temperature min. |
| Tmax | 80 °C | Operating temperature max. |
Calculation factors
| Ca | 129,000 N | Basic dynamic load rating, axial |
| C0a | 280,000 N | Basic static load rating, axial |
| Cr | 92,000 N | Basic dynamic load rating, radial (for radial load only) |
| C0r | 138,000 N | Basic static load rating, radial (for radial load only) |
| VSPmax | 0.02 mm | Maximum bearing preload |
| VSPmin | 0 mm | Min. bearing preload |
| Fr zul | 53,000 N | Max. radial load fixing screws (friction locking) |
Downloads:
Your current product variant
| Gearing | N | Normalized gear teeth on bearing ring |
Characteristics




