Description

Metric
Imperial
Main Dimensions & Performance Data
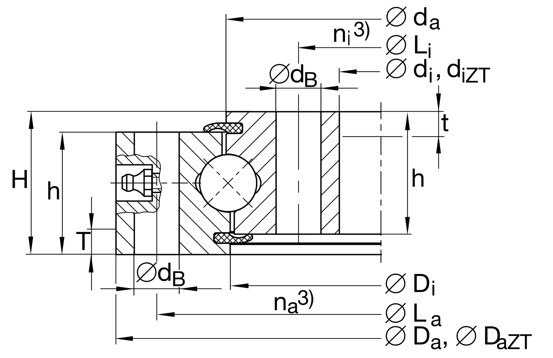
| di | 336 mm | Inner diameter inner ring |
| 0.5 mm | Inner diameter inner ring lower tolerance | |
| 0.5 mm | Inner diameter inner ring upper tolerance | |
| diZT | 338 mm | Diameter centring inner ring |
| IT8 | Diameter centring inner ring tolerance | |
| H | 46 mm | Height |
| Da | 474 mm | Outside Diameter |
| 0.8 mm | Outside diameter lower tolerance | |
| 0.8 mm | Outside diameter upper tolerance | |
| Da ZT | 472 mm | Centring diameter outer ring |
| -IT8 | Diameter centring outer ring tolerance | |
| T | 7 mm | Length centering outer ring |
| t | 7 mm | Length centering inner ring |
| ha | 41 mm | Width outer ring |
| hi | 41 mm | Width inner ring |
| 0.05 | Normal radial clearance min. | |
| 0.2 | Normal radial clearance max. | |
| 0.08 | Normal axial clearance min. | |
| 0.33 | Normal axial clearance max. | |
| ≈m | 25 kg | Weight |
Dimensions
| Di | 404 mm | Inner diameter outer ring |
| da | 406 mm | Outside diameter inner ring |
| dB | 14 mm | Fixing bore |
| La | 450 mm | Pitchcircle diameter fixing holes outer ring |
| na | 30 | Number of fixing holes in outer ring |
| Li | 360 mm | Pitchcircle diameter fixing holes inner ring |
| ni | 30 | Number of fixing holes in inner ring |
| Fr zul | 89,000 N | Max. radial load fixing screws (friction locking) |
Temperature range
| Tmin | -25 °C | Operating temperature min. |
| Tmax | 80 °C | Operating temperature max. |
Calculation factors
| Ca | 204,000 N | Basic dynamic load rating, axial |
| C0a | 860,000 N | Basic static load rating, axial |
| Cr | 185,000 N | Basic dynamic load rating, radial (for radial load only) |
| C0r | 390,000 N | Basic static load rating, radial (for radial load only) |
Downloads:
Your current product variant
| Centering | ZT | Centering on inner and outer ring |
| Coating | RR | Protected against corrosion by Corrotect special coating |
| Preload | VSP | Bearing with preload |
Characteristics




