Avada Car Dealership Logo

VU140179-ZT

Home » Product » VU140179-ZT

VU140179-ZT

Slewing Ring, Four Point contact bearing, without gear teeth

Four point contact bearings without gear teeth, sealed on both sides

Description

VU140179-ZT

Metric

Imperial

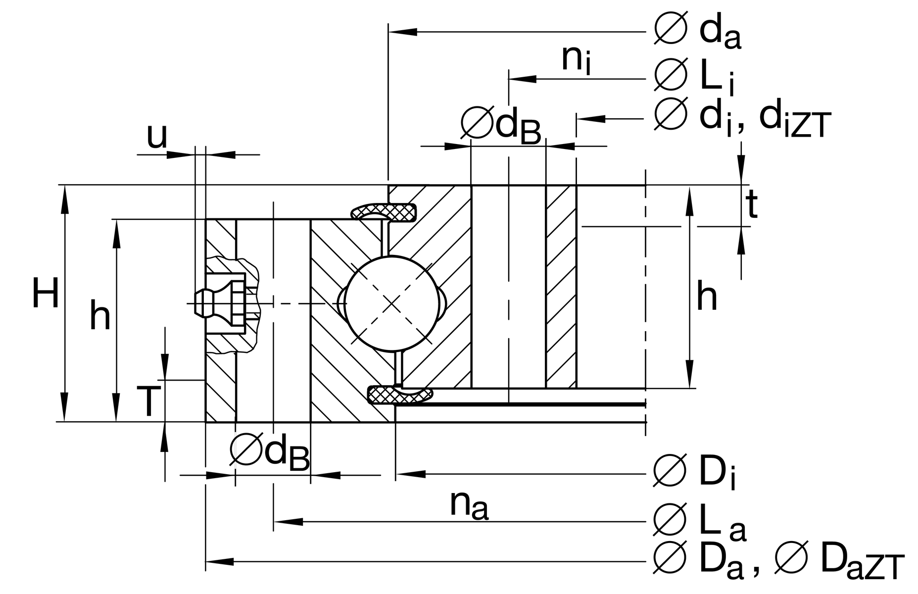
Main Dimensions & Performance Data
di124.5 mmInner diameter inner ring
0.5 mmInner diameter inner ring lower tolerance
0.5 mmInner diameter inner ring upper tolerance
diZT126.5 mmDiameter centring inner ring
IT8 Diameter centring inner ring tolerance
H35 mmHeight
Da234 mmOutside Diameter
0.5 mmOutside diameter lower tolerance
0.5 mmOutside diameter upper tolerance
Da ZT232 mmCentring diameter outer ring
-IT8 Diameter centring outer ring tolerance
T5 mmLength centering outer ring
t5 mmLength centering inner ring
ha30 mmWidth outer ring
hi30 mmWidth inner ring
0.04 Normal radial clearance min.
0.14 Normal radial clearance max.
0.07 Normal axial clearance min.
0.23 Normal axial clearance max.
≈m6.2 kgWeight
Dimensions
Di178 mmInner diameter outer ring
da180 mmOutside diameter inner ring
dB11 mmFixing bore
La214 mmPitchcircle diameter fixing holes outer ring
na12 Number of fixing holes in outer ring
Li144.5 mmPitchcircle diameter fixing holes inner ring
ni12 Number of fixing holes in inner ring
Fr zul33,600 NMax. radial load fixing screws (friction locking)
umax3 mmMax. protrusion lubrication nipple
Temperature range
Tmin-25 °COperating temperature min.
Tmax80 °COperating temperature max.
Calculation factors
Ca96,000 NBasic dynamic load rating, axial
C0a395,000 NBasic static load rating, axial
Cr87,000 NBasic dynamic load rating, radial (for radial load only)
C0r182,000 NBasic static load rating, radial (for radial load only)
Your current product variant
CenteringZTCentering on inner and outer ring

Characteristics

clusteriteminfo.radialloadtranslation
clusteriteminfo.axialloadinonedirectiontranslation
clusteriteminfo.axialloadintwodirectionstranslation
clusteriteminfo.momentsaboutallaxestranslation
clusteriteminfo.greaselubricationtranslation
clusteriteminfo.sealedonbothsidestranslation

recently added Bearing

Title

Go to Top