Description

Metric
Imperial
Main Dimensions & Performance Data
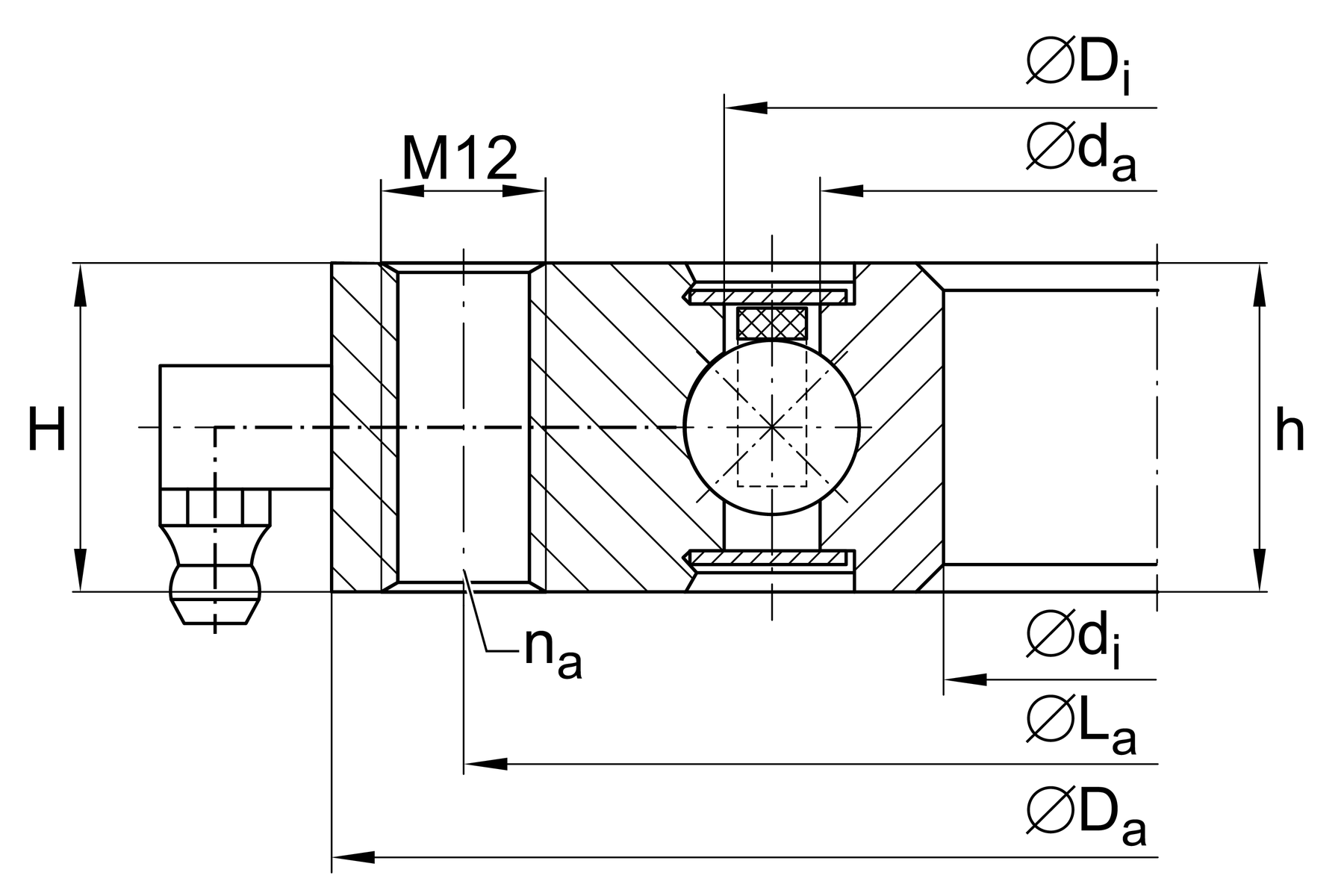
| di | 200 mm | Inner diameter inner ring |
| 0 mm | Inner diameter inner ring lower tolerance | |
| 0.03 mm | Inner diameter inner ring upper tolerance | |
| H | 24 mm | Height |
| Da | 290 mm | Outside Diameter |
| ha | 24 mm | Width outer ring |
| hi | 24 mm | Width inner ring |
| 0.02 | Normal radial clearance min. | |
| 0.06 | Normal radial clearance max. | |
| 0.05 | Normal axial clearance min. | |
| 0.16 | Normal axial clearance max. | |
| ≈m | 5.46 kg | Weight |
Dimensions
| Di | 237.6 mm | Inner diameter outer ring |
| da | 213 mm | Outside diameter inner ring |
| M12 | Tread fixing bore | |
| La | 270 mm | Pitchcircle diameter fixing holes outer ring |
| na | 6 | Number of fixing holes in outer ring |
| Fr zul | 19,800 N | Max. radial load fixing screws (friction locking) |
Temperature range
| Tmin | -25 °C | Operating temperature min. |
| Tmax | 80 °C | Operating temperature max. |
Calculation factors
| Ca | 48,000 N | Basic dynamic load rating, axial |
| C0a | 203,000 N | Basic static load rating, axial |
| Cr | 43,500 N | Basic dynamic load rating, radial (for radial load only) |
| C0r | 93,000 N | Basic static load rating, radial (for radial load only) |
Downloads:
Characteristics




