Description

Metric
Imperial
Main Dimensions & Performance Data
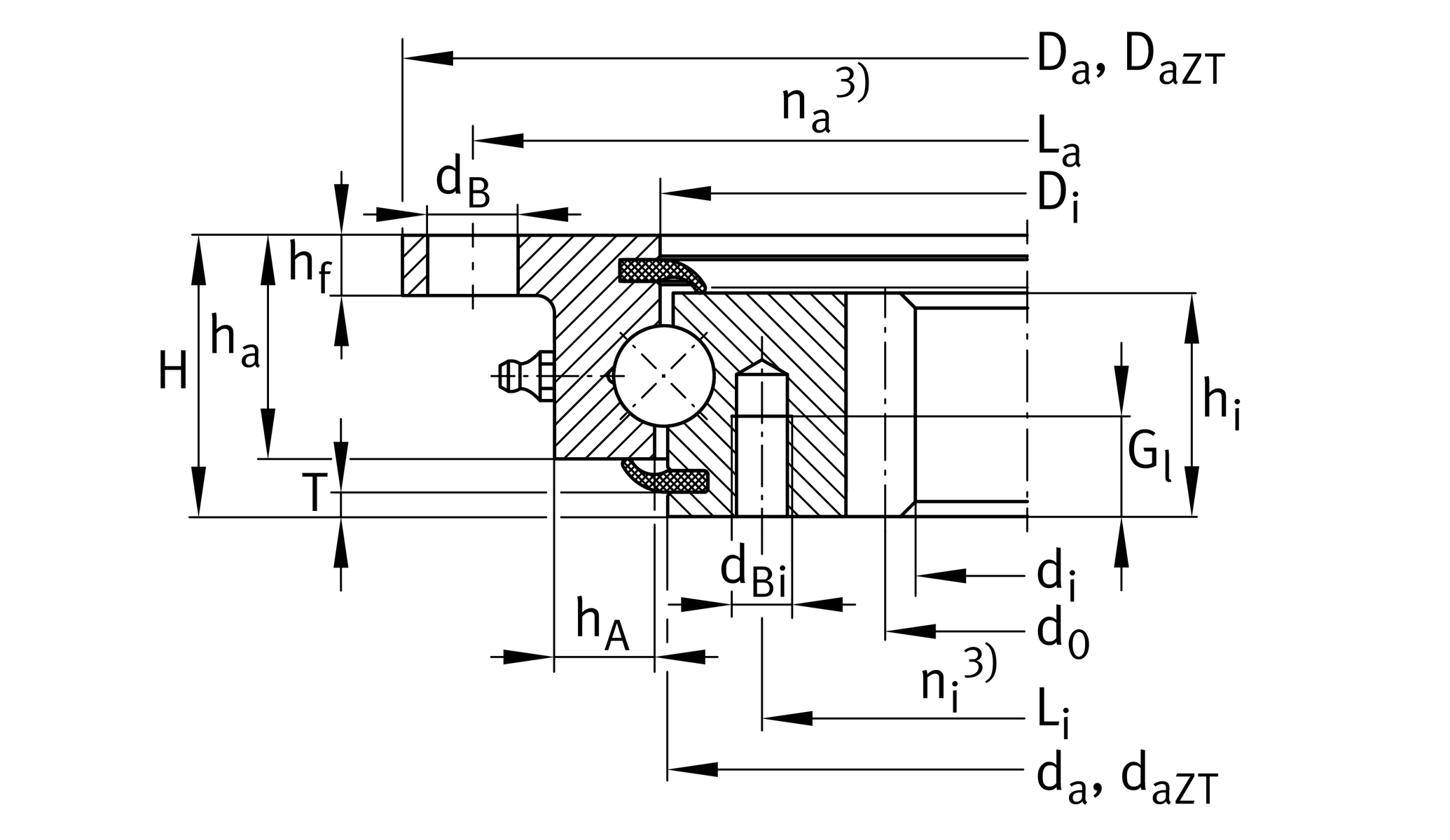
| d1 | 546 mm | Bore Diameter |
| H | 56 mm | Height |
| Da | 748 mm | Outside Diameter |
| -0.6 mm | Outside diameter lower tolerance | |
| 0 mm | Outside diameter upper tolerance | |
| -IT8 mm | Diameter centring outer ring tolerance | |
| hf | 12 mm | height of flange |
| ha | 44.5 mm | Width outer ring |
| hi | 44.5 mm | Width inner ring |
| ≈m | 45.05 kg | Weight |
Dimensions
| Di | 645.5 mm | Inner diameter outer ring |
| 0.6 mm | Inner diameter outer ring upper tolerance | |
| 0 mm | Inner diameter outer ring lower tolerance | |
| La | 720 mm | Pitchcircle diameter fixing holes outer ring |
| na | 12 | Number of fixing holes in outer ring |
| dB | 18 mm | Fixing bore |
| da | 642.5 mm | Outside diameter inner ring |
| 0 mm | Outside diameter inner ring upper tolerance | |
| -0.6 mm | Outside diameter inner ring lower tolerance | |
| Li | 605 mm | Pitchcircle diameter fixing holes inner ring |
| dBi | M12 | Tread fixing bore |
| Gl | 20 mm | Thread depth fixing hole |
| ni | 18 | Number of fixing holes in inner ring |
| Fr zul | 74,300 N | Max. radial load fixing screws (friction locking) |
| m | 6 mm | Modul of gearing |
| z | 93 | Number of teeth |
| d0 | 558 mm | Pitch circle diameter gearing |
| hA | 20 mm | Ring cross section |
| Fz norm | 23,700 N | Max. tooth force root fatigue strenght (at a shock factor of 1,2) |
| Fz max | 35,000 N | Max. tooth force against tooth fracture (at a shock factor of 1,35) |
Temperature range
| Tmin | -25 °C | Operating temperature min. |
| Tmax | 80 °C | Operating temperature max. |
Calculation factors
| Ca | 162,000 N | Basic dynamic load rating, axial |
| C0a | 455,000 N | Basic static load rating, axial |
| Cr | 147,000 N | Basic dynamic load rating, radial (for radial load only) |
| C0r | 171,000 N | Basic static load rating, radial (for radial load only) |
Downloads:
Your current product variant
| Gearing | N | Normalized gear teeth on bearing ring |
| Radial internal clearance | standard radial clearance 0 to 0,5 and axial tilting clearance 0 to 0,7 |
Characteristics




