Description

Metric
Imperial
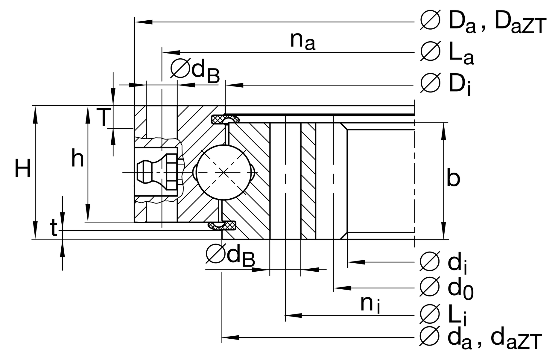
Main Dimensions & Performance Data
| d1 | 332 mm | Bore Diameter |
| H | 39 mm | Height |
| Da | 486 mm | Outside Diameter |
| ha | 34 mm | Width outer ring |
| hi | 34 mm | Width inner ring |
| 0.04 | Normal radial clearance min. | |
| 0.16 | Normal radial clearance max. | |
| 0.07 | Normal axial clearance min. | |
| 0.26 | Normal axial clearance max. | |
| ≈m | 23 kg | Weight |
Dimensions
| Di | 419 mm | Inner diameter outer ring |
| La | 462 mm | Pitchcircle diameter fixing holes outer ring |
| na | 16 | Number of fixing holes in outer ring |
| dB | 14 mm | Fixing bore |
| da | 421 mm | Outside diameter inner ring |
| Li | 378 mm | Pitchcircle diameter fixing holes inner ring |
| ni | 16 | Number of fixing holes in inner ring |
| Fr zul | 66,100 N | Max. radial load fixing screws (friction locking) |
| m | 4 mm | Modul of gearing |
| z | 85 | Number of teeth |
| d0 | 340 mm | Pitch circle diameter gearing |
| b | 34 mm | Width gearing |
| Fz norm | 12,300 N | Max. tooth force root fatigue strenght (at a shock factor of 1,2) |
| Fz max | 17,800 N | Max. tooth force against tooth fracture (at a shock factor of 1,35) |
Temperature range
| Tmin | -25 °C | Operating temperature min. |
| Tmax | 80 °C | Operating temperature max. |
Calculation factors
| Ca | 167,000 N | Basic dynamic load rating, axial |
| C0a | 850,000 N | Basic static load rating, axial |
| Cr | 151,000 N | Basic dynamic load rating, radial (for radial load only) |
| C0r | 390,000 N | Basic static load rating, radial (for radial load only) |
Downloads:
Your current product variant
| Gearing | N | Normalized gear teeth on bearing ring |
Characteristics




