RAE25-XL-NPP-NR
Radial insert ball bearing
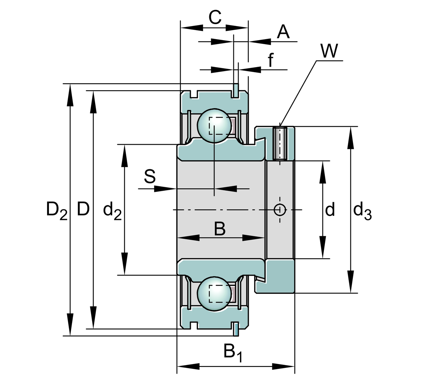
Radial insert ball bearings RAE..-NPP-NR, cylindrical outer ring, location by eccentric locking collar, slots in outer ring, P seals on both sides
Replaces
RAE25-NPP-NR
Radial insert ball bearing
Radial insert ball bearings RAE..-NPP-NR, cylindrical outer ring, location by eccentric locking collar, slots in outer ring, P seals on both sides

Metric
Imperial
| d | 25 mm | Bore diameter |
| D | 52 mm | Outside diameter |
| B | 21.4 mm | Width |
| B1 | 31 mm | Locking collar total width |
| Cr | 14,000 N | Basic dynamic load rating, radial |
| C0r | 7,800 N | Basic static load rating, radial |
| Cur | 410 N | Fatigue load limit, radial |
| ≈m | 0.2 kg | Weight |
| C | 15 mm | Width, outer ring |
| S | 7.5 mm | Distance raceway |
| d2 | 30.5 mm | Rib diameter sealing inner ring |
| d3 | 37.5 mm | Outside diameter locking collar/locknut |
| A | 3.58 mm | Distance snap ring |
| 0 mm | Upper distance retaining ring tolerance | |
| -0.25 mm | Lower distance retaining ring tolerance | |
| W | 3 mm | Width of flats |
| D2 | 57.9 mm | Outside diameter snap ring |
| 0 mm | Upper width snap ring tolerance | |
| -0.1 mm | Lower width snap ring tolerance |
| f0 | 13.8 | Calculation factor |
| Sealing | NPP | Lip seals on both sides |