RA100-NPP-B
Radial insert ball bearing
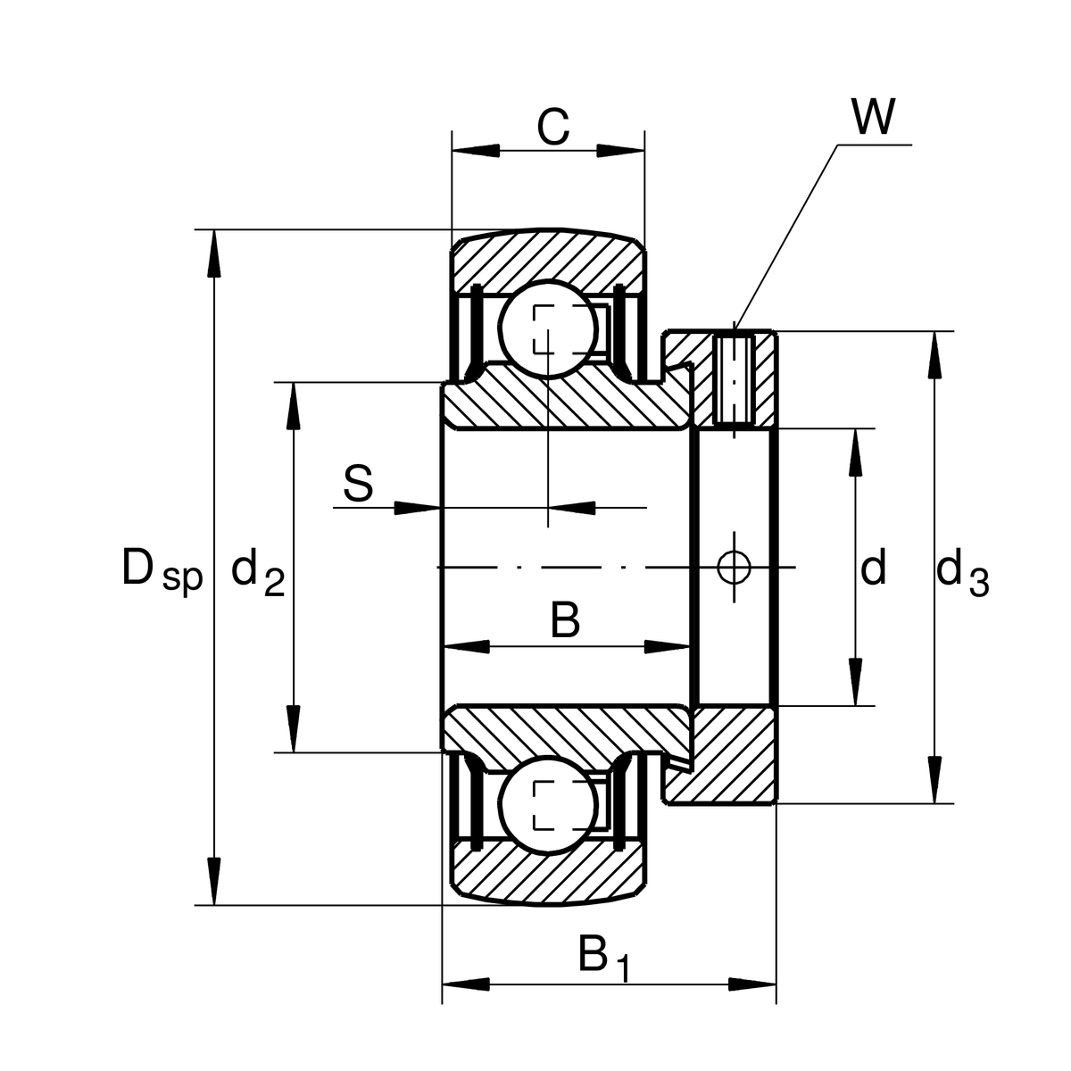
Radial insert ball bearings RA..-NPP-B, spherical outer ring, location by eccentric locking collar, P seals on both sides, inch size bore
Replaces
RA 100 NPPB
Radial insert ball bearing
Radial insert ball bearings RA..-NPP-B, spherical outer ring, location by eccentric locking collar, P seals on both sides, inch size bore

Metric
Imperial
| d | 25.4 mm | Bore diameter |
| d | 25.4 mm | Bore diameter, inch |
| DSP | 52 mm | Outside diameter |
| B1 | 31 mm | Locking collar total width |
| B | 21.4 mm | Width |
| Cur | 400 N | Fatigue load limit, radial |
| Cr | 14,000 N | Basic dynamic load rating, radial |
| C0r | 7,800 N | Basic static load rating, radial |
| ≈m | 180 g | Weight |
| C | 15 mm | Width, outer ring |
| S | 7.5 mm | Distance raceway |
| d2 | 30.5 mm | Rib diameter sealing inner ring |
| d3 | 37.5 mm | Outside diameter locking collar/locknut |
| W | 3.175 mm | Width across flats (Inch) |
| f0 | 13.8 | Calculation factor |
| Sealing | NPP | NPP |
| Shape of outer surface | B | B |
Characteristics