Description

Metric
Imperial
Main Dimensions & Performance Data
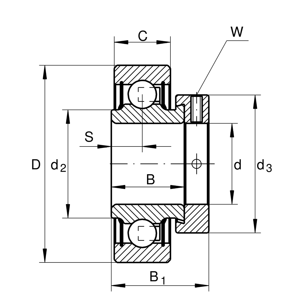
| d | 22.225 mm | Bore diameter |
| d | 22.225 mm | Bore diameter, inch |
| D | 52 mm | Outside diameter |
| B1 | 31 mm | Locking collar total width |
| B | 21.4 mm | Width |
| Cur | 400 N | Fatigue load limit, radial |
| Cr | 14,000 N | Basic dynamic load rating, radial |
| C0r | 7,800 N | Basic static load rating, radial |
| ≈m | 212 g | Weight |
Dimensions
| C | 15 mm | Width, outer ring |
| S | 7.5 mm | Distance raceway |
| d2 | 30.5 mm | Rib diameter sealing inner ring |
| d3 | 37.5 mm | Outside diameter locking collar/locknut |
| W | 3.175 mm | Width across flats (Inch) |
Calculation factors
| f0 | 13.8 | Calculation factor |




