Description


Metric
Imperial
Main Dimensions & Performance Data
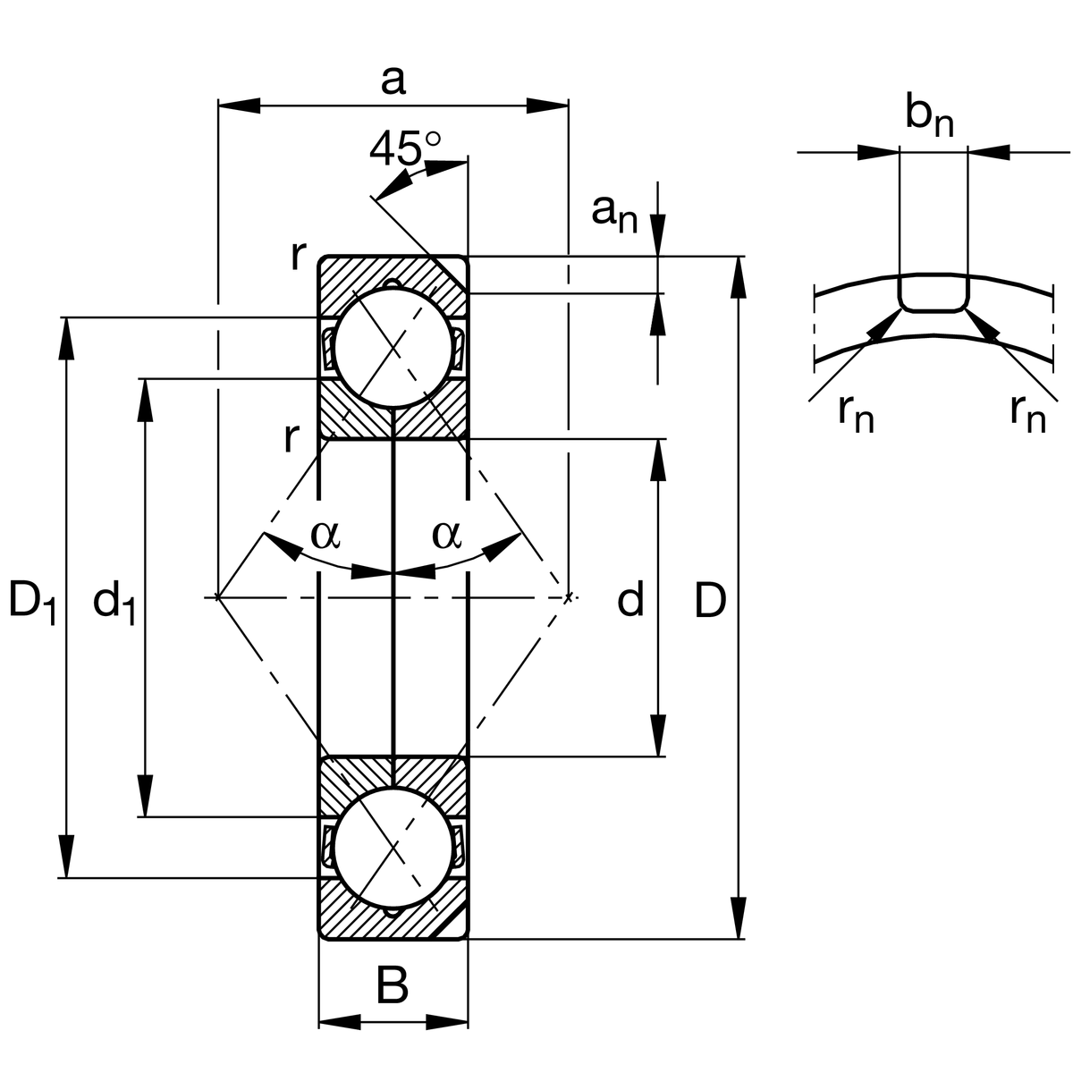
| d | 105 mm | Bore diameter |
| D | 160 mm | Outside diameter |
| B | 26 mm | Width |
| Cr | 126,000 N | Basic dynamic load rating, radial |
| C0r | 145,000 N | Basic static load rating, radial |
| Cur | 8,700 N | Fatigue load limit, radial |
| nG | 8,100 1/min | Limiting speed |
| nϑr | 3,550 1/min | Reference speed |
| ≈m | 2.035 kg | Weight |
Mounting dimensions
| da min | 114 mm | Minimum diameter shaft shoulder |
| Da max | 151 mm | Maximum diameter of housing shoulder |
| ra max | 2 mm | Maximum fillet radius |
Dimensions
| rmin | 2 mm | Minimum chamfer dimension |
| D1 | 141.5 mm | Shoulder diameter outer ring |
| d1 | 124.6 mm | Shoulder diameter inner ring |
| a | 93 mm | Distance between the apexes of the pressure cones |
| an | 6.5 mm | Hight retaining slot |
| bn | 6.5 mm | Width retaining slot |
| rn | 0.5 mm | Radius retaining slot |
| 45 ° | Angle retaining slot | |
| α | 35 ° | Contact angle |
Temperature range
| Tmin | -30 °C | Operating temperature min. |
| Tmax | 150 °C | Operating temperature max. |
Your current product variant
| Cage | MPA | solid brass cage, outer ring guided |
| Design, bearing outer ring | N2 | two retaining grooves in the outer ring on one side |
| Tolerance class | PN | Normal (PN) |
| Dimensional / heat stabilization | S0 | Rings dimensional stabilized up to 150° |
| Axial internal clearance | C4 | Group 4 (C4), bigger than C3 |
Characteristics




