QJ1012-XL-MPA
Four-point contact bearing
Four point contact ball bearing QJ10..-XL-MPA, X-life, solid brass cage
Replaces
QJ1012MPA
Four-point contact bearing
Four point contact ball bearing QJ10..-XL-MPA, X-life, solid brass cage


Metric
Imperial
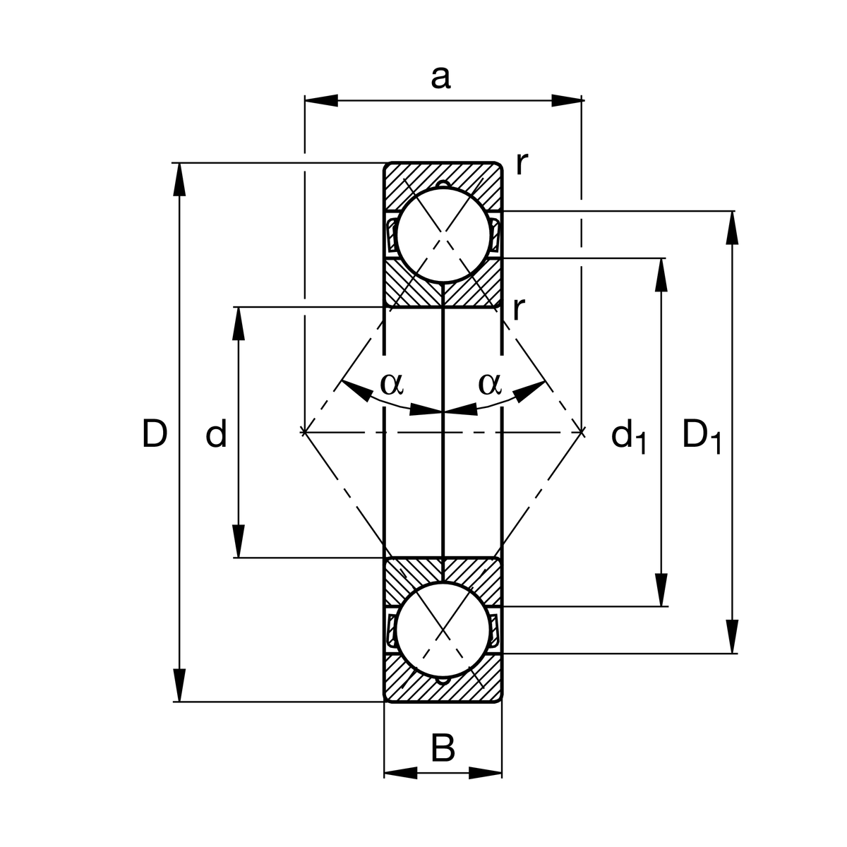
| d | 60 mm | Bore diameter |
| D | 95 mm | Outside diameter |
| B | 18 mm | Width |
| Cr | 51,000 N | Basic dynamic load rating, radial |
| C0r | 52,000 N | Basic static load rating, radial |
| Cur | 3,600 N | Fatigue load limit, radial |
| nG | 14,400 1/min | Limiting speed |
| nϑr | 5,800 1/min | Reference speed |
| ≈m | 420 g | Weight |
| da min | 66 mm | Minimum diameter shaft shoulder |
| Da max | 89 mm | Maximum diameter of housing shoulder |
| ra max | 1 mm | Maximum fillet radius |
| rmin | 1.1 mm | Minimum chamfer dimension |
| D1 | 83.1 mm | Shoulder diameter outer ring |
| d1 | 72.4 mm | Shoulder diameter inner ring |
| a | 54 mm | Distance between the apexes of the pressure cones |
| α | 35 ° | Contact angle |
| Tmin | -30 °C | Operating temperature min. |
| Tmax | 150 °C | Operating temperature max. |
| Cage | MPA | solid brass cage, outer ring guided |
| Design, bearing outer ring | S | Standard |
| Coating | Without | |
| Tolerance class | PN | Normal (PN) |
| Dimensional / heat stabilization | S0 | Rings dimensional stabilized up to 150° |
| Axial internal clearance | CN | Group N (CN) |
Characteristics