PE20-XL
Radial insert ball bearing
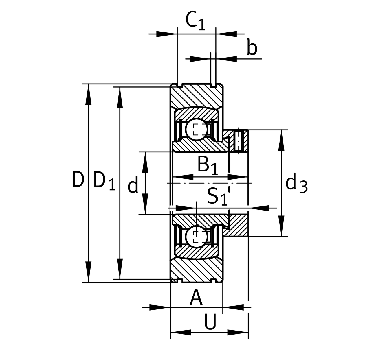
Radial insert ball bearings PE, cylindrical outer ring, with steel aligning ring, location by eccentric locking collar, P seals on both sides
Replaces
PE20
Radial insert ball bearing
Radial insert ball bearings PE, cylindrical outer ring, with steel aligning ring, location by eccentric locking collar, P seals on both sides

Metric
Imperial
| d | 20 mm | Bore diameter |
| D | 55 mm | Outside diameter |
| U | 31.5 mm | Width |
| Cr | 13,600 N | Basic dynamic load rating, radial |
| C0r | 6,600 N | Basic static load rating, radial |
| Cur | 345 N | Fatigue load limit, radial |
| ≈m | 0.25 kg | Weight |
| A | 16 mm | Width, outer ring |
| C1 | 11.2 mm | Distance ring grooves |
| 0.2 mm | Upper distance ring groove tolerance | |
| b | 1.35 mm | Width retaining slot |
| 0.3 mm | Nut width upper tolerance | |
| D1 | 52.6 mm | Diameter of groove |
| -0.5 mm | Nut diameter lower tolerance |
| f0 | 13.1 | Calculation factor |
| RAE20-XL-NPP-B | Bearing designation |
Characteristics