NKX12-Z-XL
Needle roller/axial ball bearing
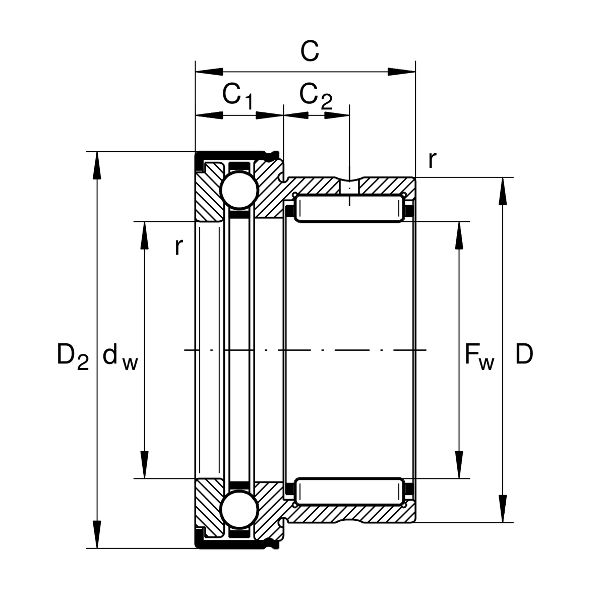
Needle roller/axial ball bearings NKX..-Z, axial component, single direction, to DIN 5429, with end cap, for grease lubrication
Replaces
NKX12-Z
Needle roller/axial ball bearing
Needle roller/axial ball bearings NKX..-Z, axial component, single direction, to DIN 5429, with end cap, for grease lubrication


Metric
Imperial
| Fw | 12 mm | Bore diameter |
| D | 21 mm | Outside diameter |
| C | 23 mm | Height |
| Cr | 10,100 N | Basic dynamic load rating, radial |
| C0r | 11,000 N | Basic static load rating, radial |
| Ca | 10,300 N | Basic dynamic load rating, axial |
| C0a | 15,400 N | Basic static load rating, axial |
| Cur | 1,950 N | Fatigue load limit, radial |
| Cua | 760 N | Fatigue load limit, axial |
| nG | 11,000 1/min | Limiting speed |
| ≈m | 42.73 g | Weight |
| da | 21.7 mm | Mounting dimension shaft shoulder |
| ra max | 0.3 mm | Maximum recess radius |
| D1 max | 27.2 mm | Maximum outerside diameter flange |
| D2 max | 27.2 mm | Maximum outerside diameter flange |
| C1 | 9 mm | Width of the axial brearing component |
| C1 | 6.5 mm | Distance to lubrication hole |
| C2 | 6.5 mm | Distance to lubrication hole |
| dw | 12 mm | Bore diameter of shaft washer |
| rmin | 0.3 mm | Minimum chamfer dimension |
| Tmin | -30 °C | Operating temperature min. |
| Tmax | 120 °C | Operating temperature max. |
| IR9X12X16-XL | Suitable inner rings IR |
| Sealing | Z | Bearing with end cap |
| Cage | Standard | Standard |
Characteristics