NE50-XL-KRR-B
Radial insert ball bearing
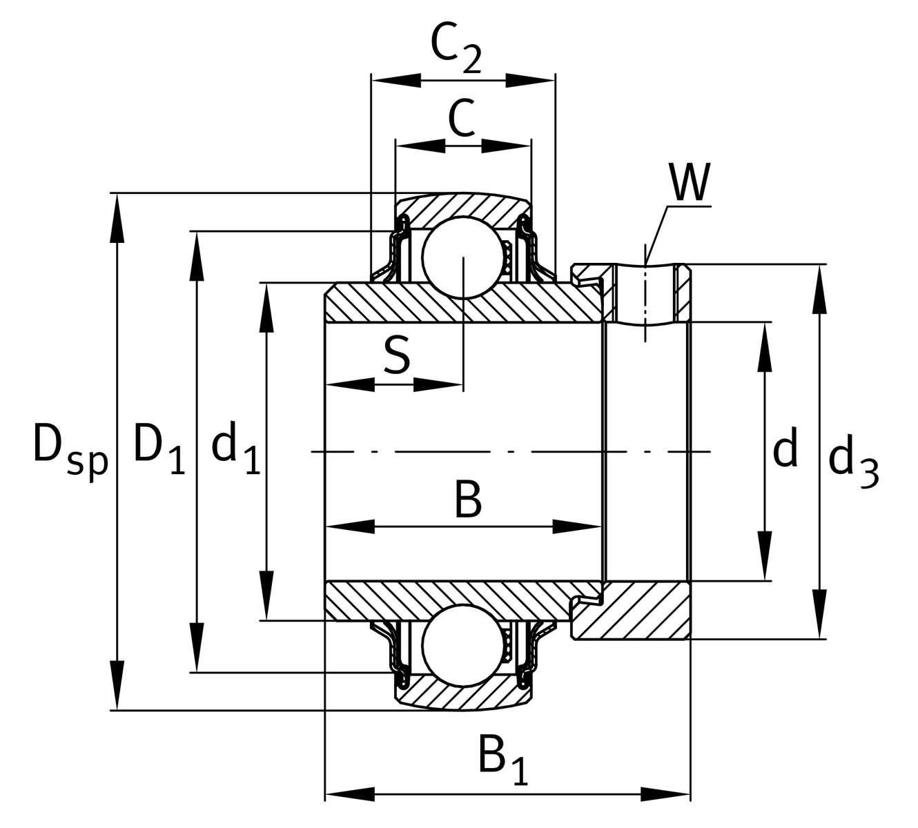
Radial insert ball bearings NE..-KRR-B, spherical outer ring, location by eccentric locking collar, R seals on both sides
Replaces
NE50-KRR-B
Radial insert ball bearing
Radial insert ball bearings NE..-KRR-B, spherical outer ring, location by eccentric locking collar, R seals on both sides

Metric
Imperial
| d | 50 mm | Bore diameter |
| DSP | 110 mm | Outside diameter |
| B | 49.2 mm | Width |
| B1 | 66.75 mm | Locking collar total width |
| Cr | 62,000 N | Basic dynamic load rating, radial |
| C0r | 38,000 N | Basic static load rating, radial |
| Cur | 1,800 N | Fatigue load limit, radial |
| ≈m | 1.82 kg | Weight |
| C | 29 mm | Width, outer ring |
| S | 24.6 mm | Distance raceway |
| d1 | 68.8 mm | Rib diameter inner ring |
| d3 | 75.8 mm | Outside diameter locking collar/locknut |
| W | 5 mm | Width of flats |
| f0 | 13.1 | Calculation factor |
| Sealing | KRR | Lip seals on both sides |
| Shape of outer surface | B | B |
Characteristics