Avada Car Dealership Logo

KRV22-PP

Home » Product » KRV22-PP

KRV22-PP

Yoke type track roller

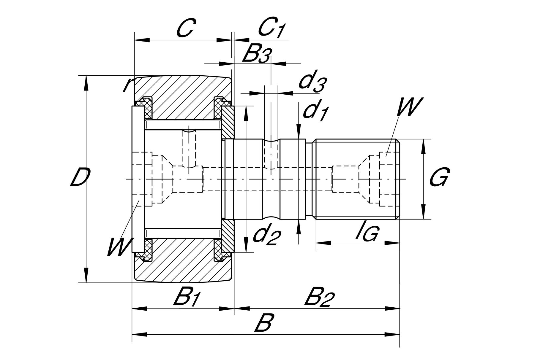
Stud type track rollers KRV..-PP, with axial guidance, full complement needle roller set, plastic axial plain washers on both sides

Description

KRV22-PP

Metric

Imperial

Main Dimensions & Performance Data
D22 mmOutside diameter
d110 mmFit diameter of roller stud / stud
B36 mmWidth
Cr w6,200 NBasic dynamic load rating, radial
C0r w9,300 NBasic static load rating, radial
Cur w1,230 NFatigue load limit, radial
nD G2,600 1/minSpeed on permanent grease lubrication
≈m44.1 gWeight
Dimensions
B113.2 mmWitdh of thrust washer
B223 mmBolt/stud length effectively
C12 mmWidth, outer ring
C10.6 mmProtrusion outer ring to thrust washer
rmin0.3 mmMinimum chamfer dimension
d217.5 mmStop diameter of thrust washer
GM10X1 Thread
IG12 mmThread length
W5 mmWidth of flats
Additional information
NIPA1X4,5 Drive-fit lubrication nipple
MA15 NmTightening torque nut
Your current product variant
SealingPPThree-stage sealing by plastic axial plain washer on both sides
Outer Ring profileOptimized INA-profile
Grease nipplesDrive-fit lubrication nipple unmounted 2x
Relubrication featureVia head and stud
Assembling aid headHexagon socket
Mounting aid studHexagon socket

Characteristics

clusteriteminfo.radialloadtranslation
clusteriteminfo.lifetimelubricationfreedomfrommaintenancetranslation
clusteriteminfo.greaselubricationtranslation
clusteriteminfo.sealedonbothsidestranslation

recently added Bearing

Title

Go to Top