KR5203-2RS
Stud type track roller
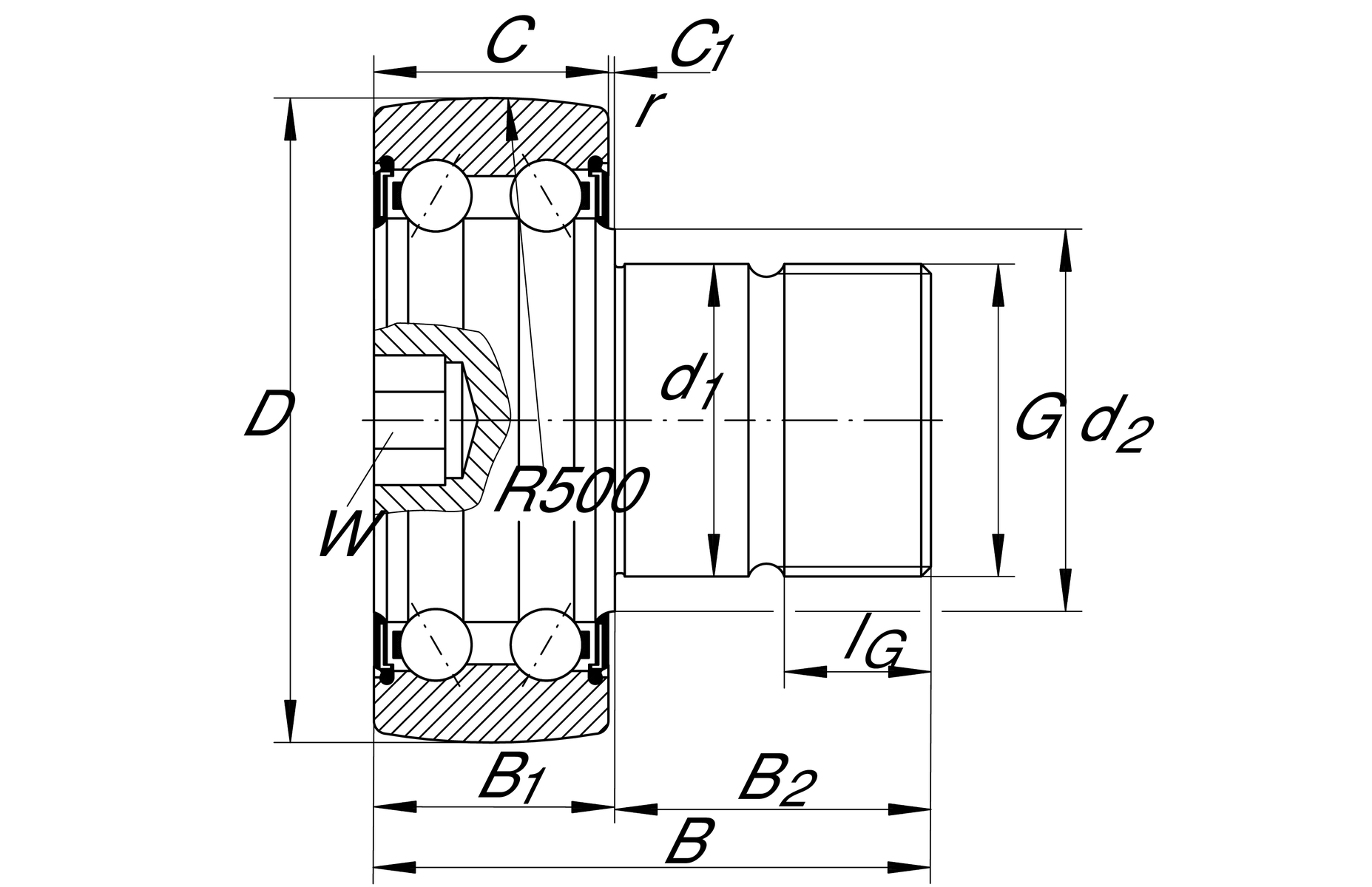
Stud type track rollers KR52..-2RS, double row, lip seals on both sides
Replaces
KR 5203 NPPU
Stud type track roller
Stud type track rollers KR52..-2RS, double row, lip seals on both sides

Metric
Imperial
| D | 47 mm | Outside diameter |
| d1 | 18 mm | Fit diameter of roller stud / stud |
| B | 58.8 mm | Width |
| Cr w | 12,700 N | Basic dynamic load rating, radial |
| C0r w | 8,500 N | Basic static load rating, radial |
| Cur w | 425 N | Fatigue load limit, radial |
| nD G | 5,500 1/min | Speed on permanent grease lubrication |
| ≈m | 0.29 kg | Weight |
| B1 max | 18.5 mm | Maximum witdh of thrust washer |
| B2 | 40.5 mm | Bolt/stud length effectively |
| C | 17.5 mm | Width, outer ring |
| C1 | 0.8 mm | Protrusion outer ring to thrust washer |
| d2 | 22.9 mm | Stop diameter of thrust washer |
| rmin | 0.6 mm | Minimum chamfer dimension |
| G | M18X1,5 | Thread |
| IG | 21 mm | Thread length |
| W | 8 mm | Width of flats |
| R | 500 mm | Radius of outer ring outside profile |
| MA | 115 Nm | Tightening torque nut |
| Sealing | 2RS | Lip seal on both sides, with axial sealing action |
| Outer Ring profile | R500 | |
| Relubrication feature | Without | |
| Assembling aid head | Hexagon socket |
Characteristics