Avada Car Dealership Logo

KR22

Home » Product » KR22

KR22

Yoke type track roller

Yoke type track roller KR..-B, with cage, with axial guidance, no eccentric

Description

KR22

Metric

Imperial

Main Dimensions & Performance Data
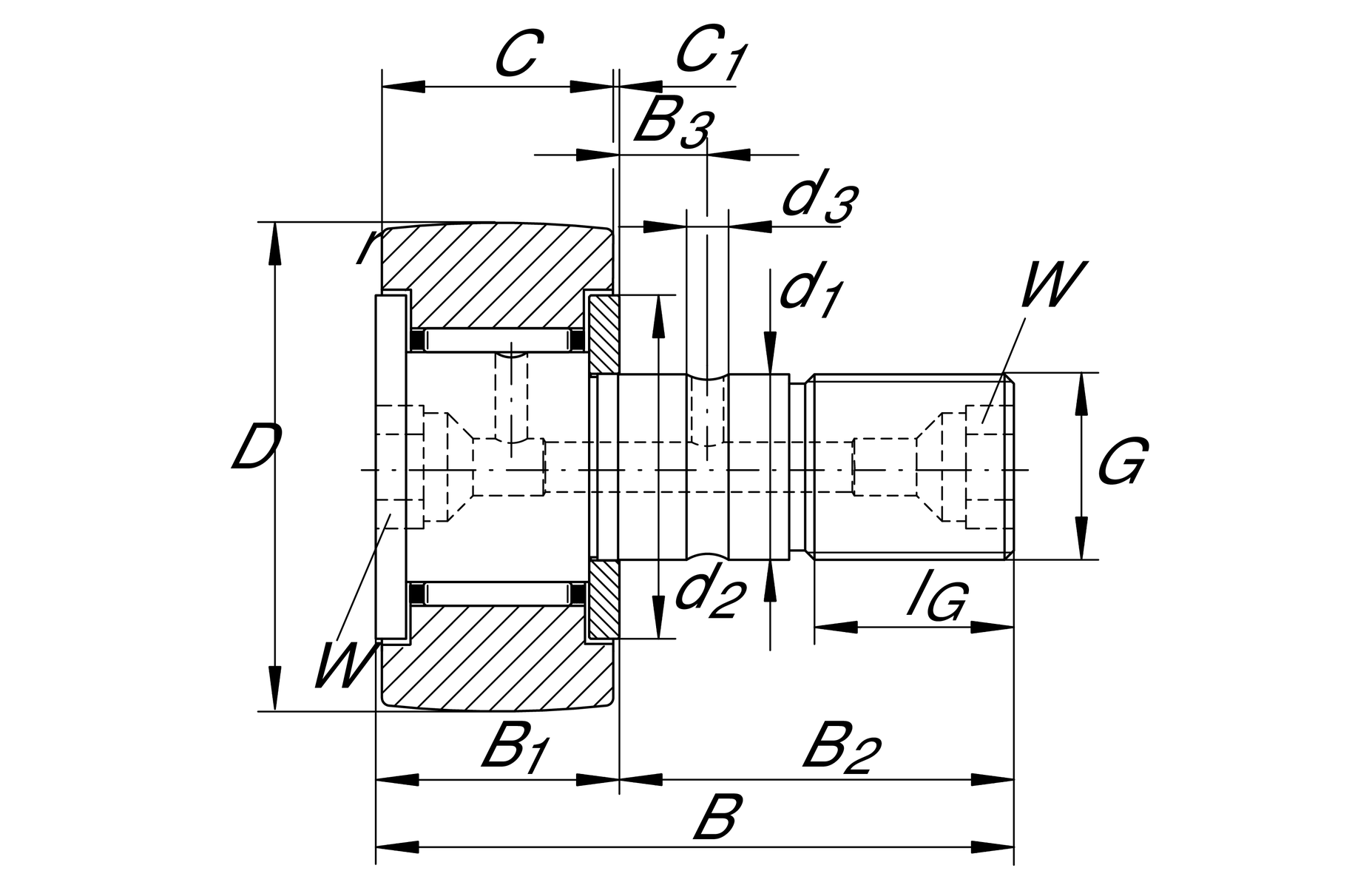
D22 mmOutside diameter
d110 mmFit diameter of roller stud / stud
B36 mmWidth of the roller stud
Cr w4,500 NBasic dynamic load rating, radial
C0r w5,400 NBasic static load rating, radial
Cur w740 NFatigue load limit, radial
nD G8,000 1/minSpeed on permanent grease lubrication
≈m42.95 gWeight
Dimensions
B113.2 mmMaximum witdh of thrust washer
B223 mmBolt/stud length effectively
C12 mmWidth, outer ring
C10.6 mmProtrusion outer ring to thrust washer
rmin0.3 mmMinimum chamfer dimension
d217.5 mmStop diameter of thrust washer
GM10X1 Thread
IG12 mmThread length
W5 mmWidth of flats
R500 mmRadius of outer ring outside profile
Additional information
NIPA1X4,5 Drive-fit lubrication nipple
MA15 NmTightening torque nut
Your current product variant
SealingGap seal on both sides
Outer Ring profileR500
Grease nipplesDrive-fit lubrication nipple unmounted 2x
Relubrication featureVia head, stud and fit
Assembling aid headHexagon socket
Mounting aid studHexagon socket

recently added Bearing

Title

Go to Top