GE25-XL-KLL-B
Radial insert ball bearing
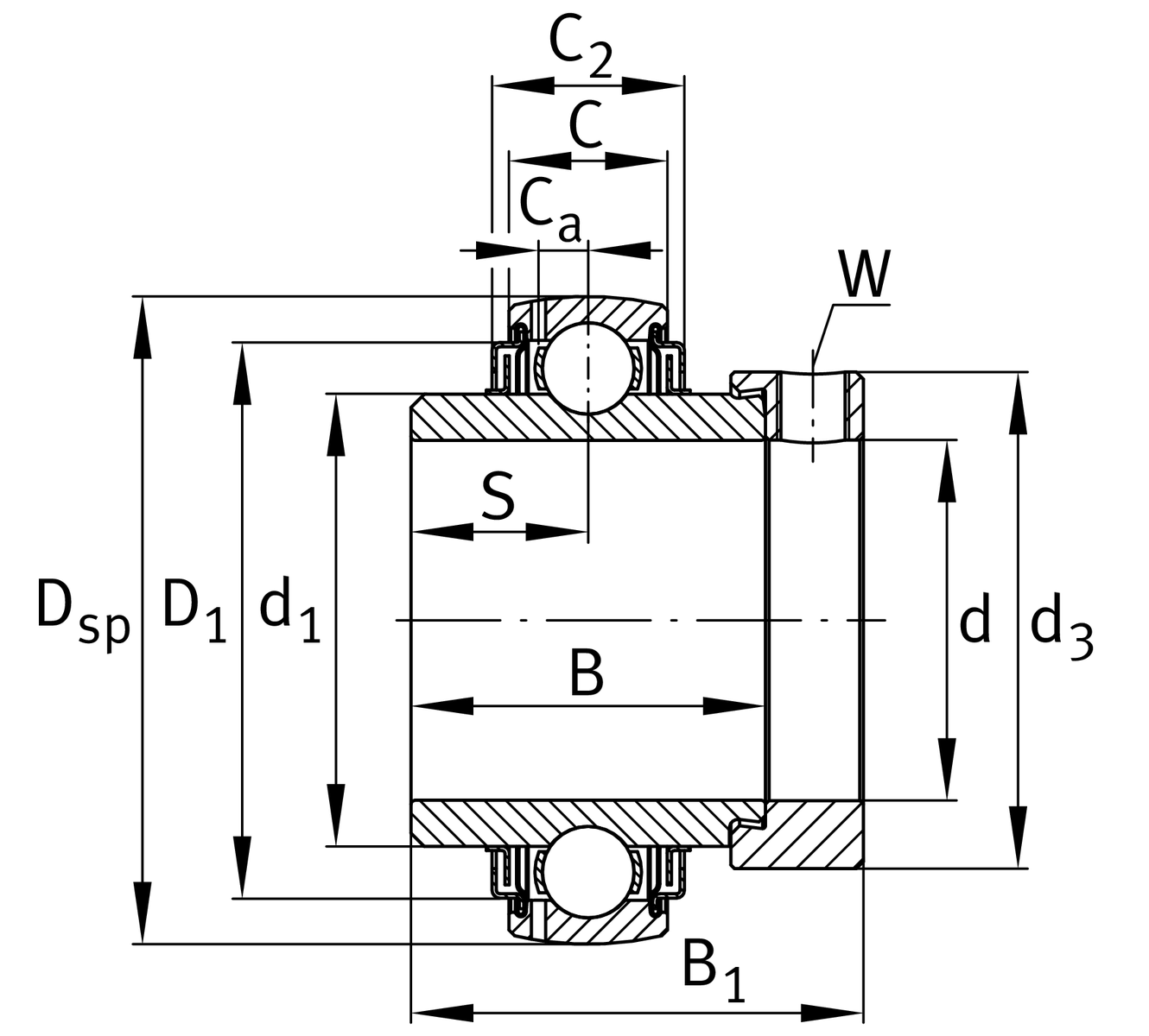
Radial insert ball bearings GE..-KLL-B, spherical outer ring, location by eccentric locking collar, L seals on both sides
Replaces
GE25-KLL-B
Radial insert ball bearing
Radial insert ball bearings GE..-KLL-B, spherical outer ring, location by eccentric locking collar, L seals on both sides

Metric
Imperial
| d | 25 mm | Bore diameter |
| DSP | 52 mm | Outside diameter |
| B | 34.9 mm | Width |
| B1 | 44.5 mm | Locking collar total width |
| Cr | 14,000 N | Basic dynamic load rating, radial |
| C0r | 7,800 N | Basic static load rating, radial |
| Cur | 370 N | Fatigue load limit, radial |
| ≈m | 0.25 kg | Weight |
| C | 15 mm | Width, outer ring |
| C2 | 20.2 mm | Sealing total width |
| S | 17.5 mm | Distance raceway |
| d1 | 33.8 mm | Rib diameter inner ring |
| D1 | 42.5 mm | Outside diameter seal |
| Ca | 4.1 mm | Distance to lubrication hole |
| d3 | 37.5 mm | Outside diameter locking collar/locknut |
| W | 3 mm | Width of flats |
| f0 | 13.8 | Calculation factor |
| Sealing | KLL | Labyrinth seals on both sides |
| Shape of outer surface | B | B |
Characteristics