Description



Metric
Imperial
Main Dimensions & Performance Data
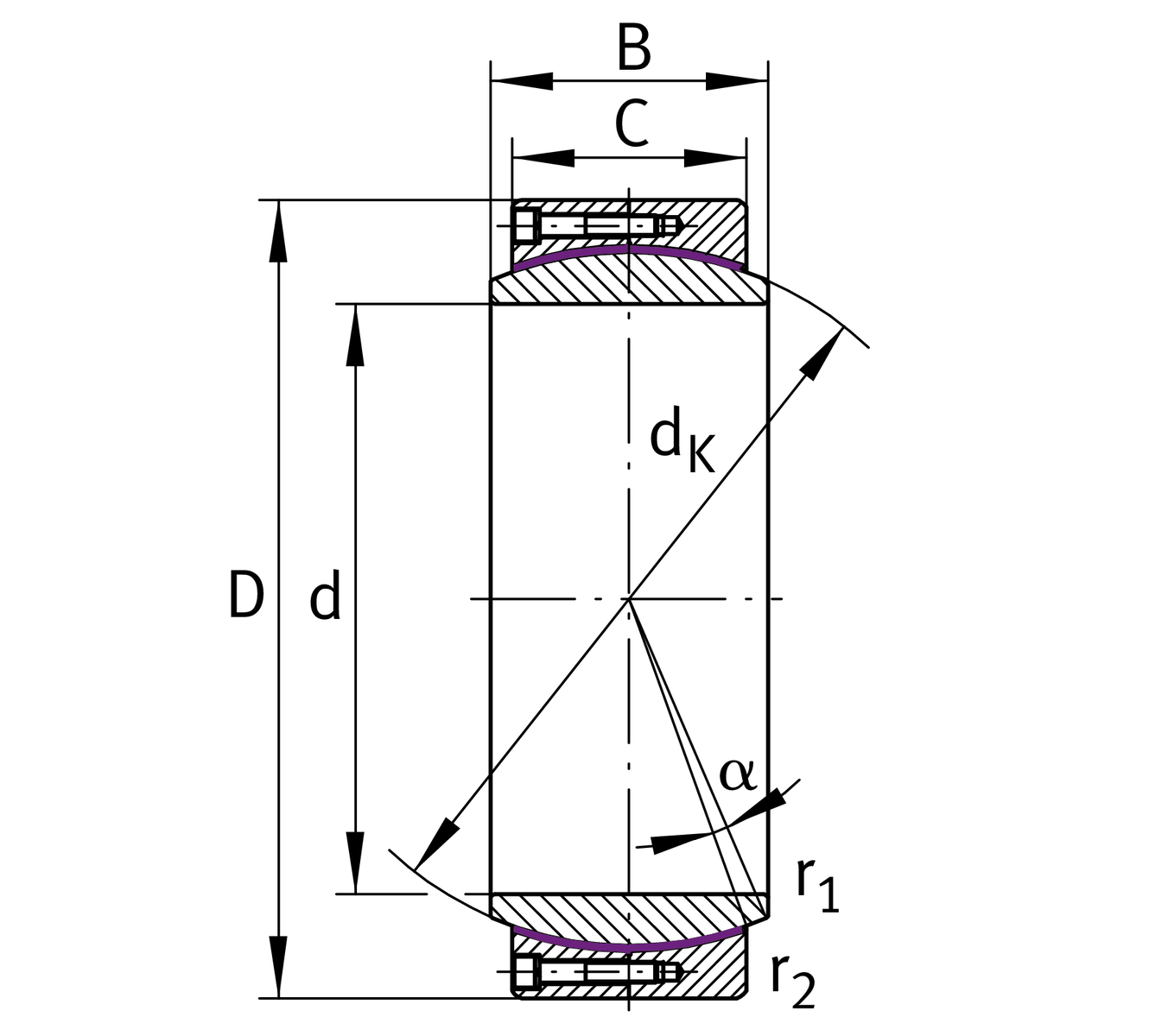
| D | 1,320 mm | Outside diameter bearing |
| d | 1,000 mm | Bore diameter bearing |
| B | 438 mm | Width Inner ring |
| C | 370 mm | Width Outer ring |
| Cr | 129,000,000 N | Basic dynamic load rating, radial |
| C0r | 215,000,000 N | Basic static load rating, radial |
| ≈m | 1,757.7 kg | Weight |
Mounting dimensions
| r1smin | 4 mm | Edge Spacing |
| r2smin | 7.5 mm | Edge Spacing |
| da max | 1,074.1 mm | Connection measure Inner ring |
| Da min | 1,105 mm | Housing Connection Diameter |
Dimensions
| dK | 1,160 mm | Ball diameter |
| α | 3.5 ° | Tilt angle |
| Gr | 0 – 0,195 mm | Radial Clearance |
| dOT | 0 mm | Bore diameter bearing, upper tolerance |
| dUT | -0.1 mm | Bore diameter bearing, lower tolerance |
| DOT | 0 mm | Outside diameter, upper tolerance |
| DUT | -0.16 mm | Outside diameter, lower tolerance |
| BOT | 0 mm | Width inner ring, upper tolerance |
| BUT | -1 mm | Width inner ring, lower tolerance |
| COT | 0 mm | Width outer ring, upper tolerance |
| CUT | -1.6 mm | Width outer ring, lower tolerance |
Temperature range
| Tmin | -50 °C | Operating temperature min. |
| Tmax | 150 °C | Operating temperature max. |
Downloads:
Your current product variant
| Sealing | Without | |
| Bore lining | Without | |
| Coating | Without | |
| Fabric | ELGOGLIDE | ELGOGLIDE |
| Material | Steel | Steel |
Characteristics




