G1015-KRR-B-AS2/V
Radial insert ball bearing
Radial insert ball bearing G1..-KRR-B-AS2/V
Replaces
G 1015 KRRB, G 1015 KRRBW
Radial insert ball bearing
Radial insert ball bearing G1..-KRR-B-AS2/V

Metric
Imperial
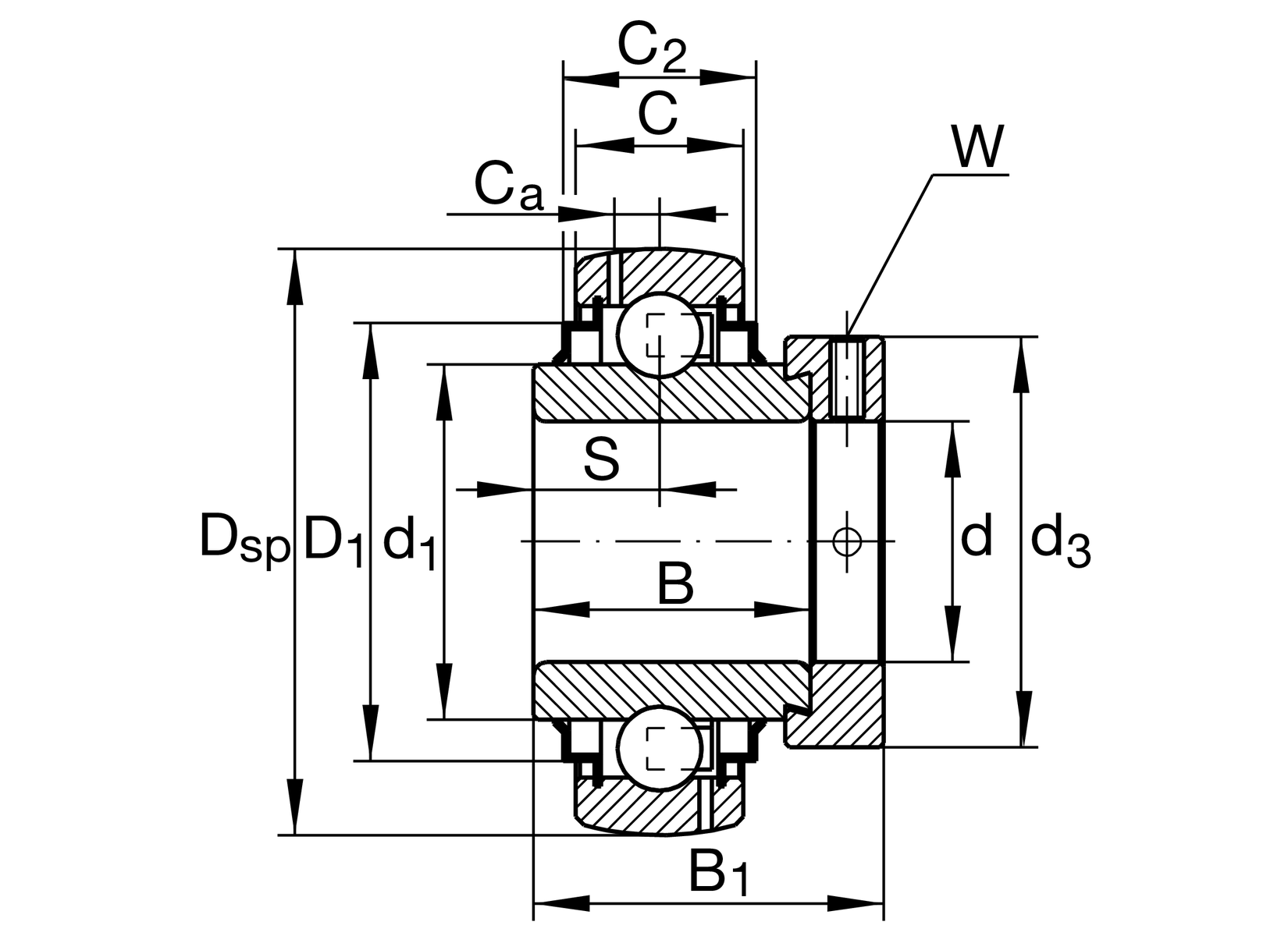
| d | 23.8125 mm | Bore diameter |
| d | 23.813 mm | Bore diameter, inch |
| DSP | 52 mm | Outside diameter |
| B | 34.9 mm | Width |
| B1 | 44.5 mm | Locking collar total width |
| Cr | 14,000 N | Basic dynamic load rating, radial |
| C0r | 7,800 N | Basic static load rating, radial |
| Cur | 400 N | Fatigue load limit, radial |
| ≈m | 254 g | Weight |
| C | 15 mm | Width, outer ring |
| C2 | 16.5 mm | Sealing total width |
| S | 17.5 mm | Distance raceway |
| d1 | 33.8 mm | Rib diameter inner ring |
| D1 | 42.5 mm | Outside diameter seal |
| Ca | 3.9 mm | Distance to lubrication hole |
| d3 | 37.5 mm | Outside diameter locking collar/locknut |
| Tmin | -20 °C | Operating temperature min. |
| Tmax | 120 °C | Operating temperature max. |
| f0 | 13.8 | Calculation factor |
| Sealing | KRR | Lip seals on both sides |
| Shape of outer surface | B | B |
| Lubrication hole transposed | AS2/V | AS2/V |
Characteristics