Description

Metric
Imperial
Main Dimensions & Performance Data
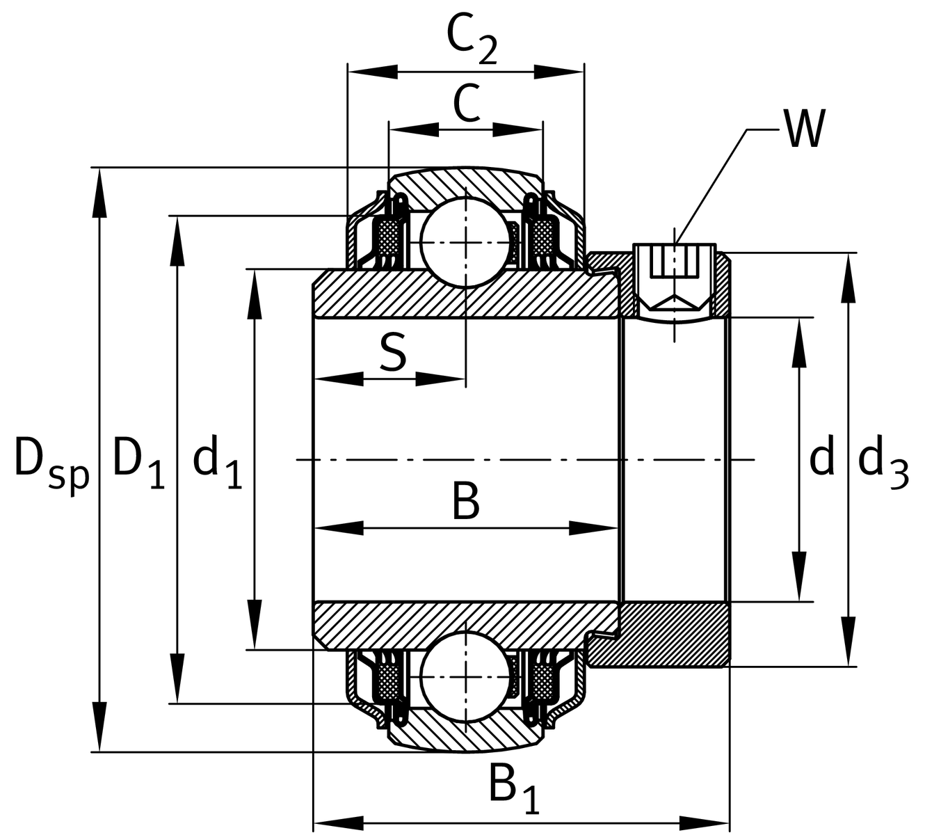
| d | 35 mm | Bore diameter |
| DSP | 72 mm | Outside diameter |
| B | 37.7 mm | Width |
| B1 | 51.3 mm | Locking collar total width |
| Cr | 27,500 N | Basic dynamic load rating, radial |
| C0r | 15,300 N | Basic static load rating, radial |
| ≈m | 0.65 kg | Weight |
Dimensions
| C | 19 mm | Width, outer ring |
| C2 | 29.2 mm | Sealing total width |
| S | 18.7 mm | Distance raceway |
| d1 | 46.8 mm | Rib diameter inner ring |
| d3 | 55 mm | Outside diameter locking collar/locknut |
| W | 5 mm | Width of flats |
Temperature range
| Tmin | -20 °C | Operating temperature min. |
| Tmax | 100 °C | Operating temperature max. |
Your current product variant
| Sealing | KTT | Triple lip seals on both sides |
| Shape of outer surface | B | B |
| Flinger shields | 2C | Flinger shield on both sides |
Characteristics




