E30-XL-KRR-B
Radial insert ball bearing
Radial insert ball bearings E..-KRR-B, spherical outer ring, location by eccentric locking collar, R seals on both sides
Replaces
E30-KRR-B
Radial insert ball bearing
Radial insert ball bearings E..-KRR-B, spherical outer ring, location by eccentric locking collar, R seals on both sides

Metric
Imperial
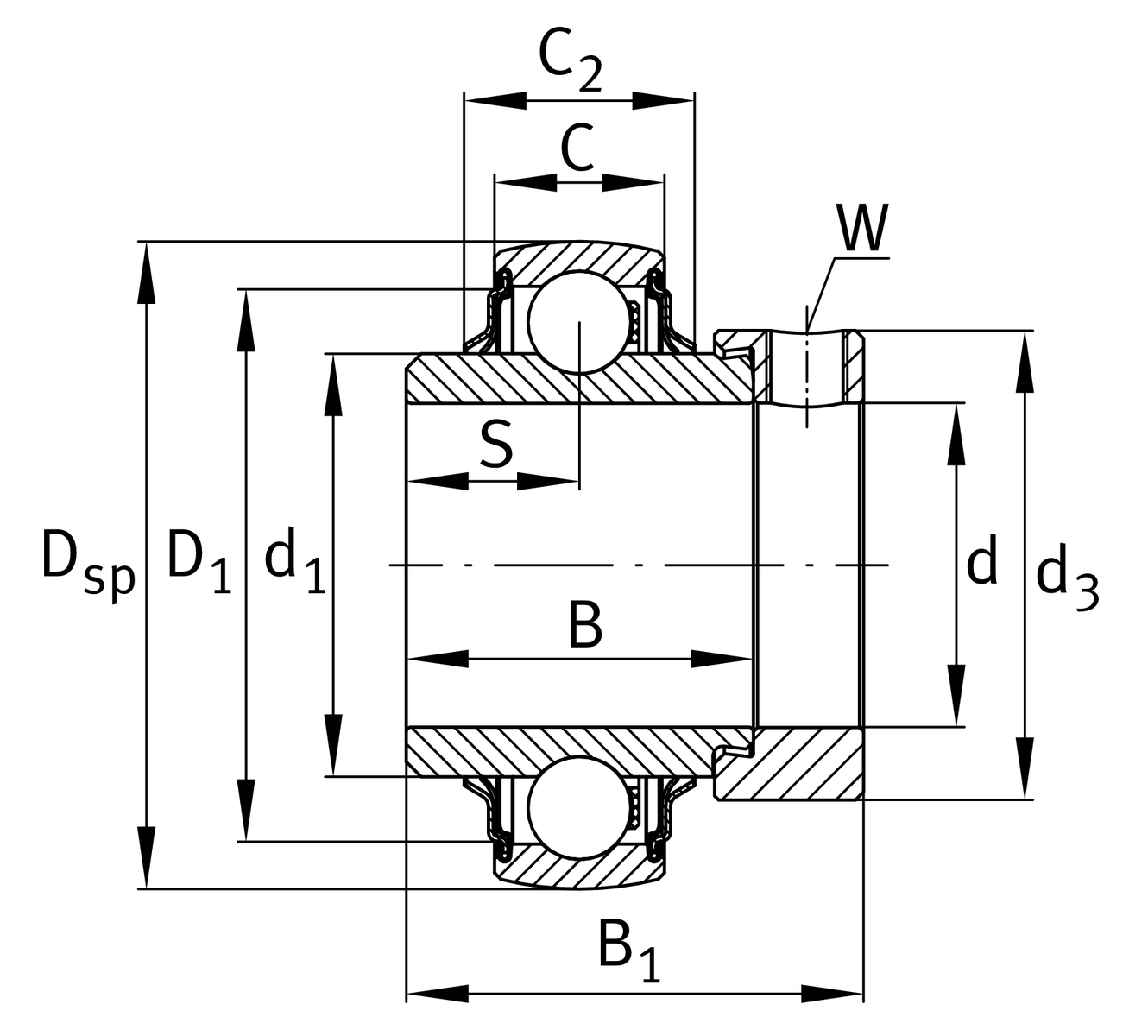
| d | 30 mm | Bore diameter |
| DSP | 62 mm | Outside diameter |
| B | 36.5 mm | Width |
| B1 | 48.5 mm | Locking collar total width |
| Cr | 19,500 N | Basic dynamic load rating, radial |
| C0r | 11,300 N | Basic static load rating, radial |
| Cur | 530 N | Fatigue load limit, radial |
| ≈m | 0.38 kg | Weight |
| C | 18 mm | Width, outer ring |
| C2 | 19.8 mm | Sealing total width |
| S | 18.3 mm | Distance raceway |
| d1 | 40.2 mm | Rib diameter inner ring |
| D1 | 52 mm | Outside diameter seal |
| d3 | 44 mm | Outside diameter locking collar/locknut |
| W | 4 mm | Width of flats |
| f0 | 13.8 | Calculation factor |
| Sealing | KRR | Lip seals on both sides |
| Shape of outer surface | B | B |
Characteristics