Description

Metric
Imperial
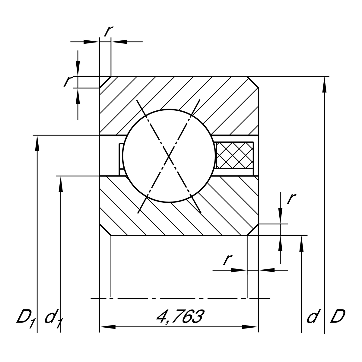
Main Dimensions & Performance Data
| d | 38.1 mm | Bore diameter |
| d | 38.1 mm | Bore diameter (Inch) |
| D | 47.625 mm | Outside diameter |
| B | 4.763 mm | Width |
| Cr | 2,700 N | Basic dynamic load rating, radial |
| C0r | 2,700 N | Basic static load rating, radial |
| nG | 8,600 1/min | Limiting speed |
| ≈m | 19.27 g | Weight |
Dimensions
| rmin | 0.38 mm | Minimum chamfer dimension |
| d1 | 41.7 mm | Shoulder diameter inner ring |
| D1 | 44.1 mm | Shoulder diameter outer ring |
| α | 30 ° | Contact angle |
Temperature range
| Tmin | -30 °C | Operating temperature min. |
| Tmax | 120 °C | Operating temperature max. |
Your current product variant
| Sealing | Without | not sealed |
| Tolerance class | PL1 | Class PL1, Normal |
| Cage | TV | Plastic Cage made from PA66 |
Characteristics




