Description

Metric
Imperial
Main Dimensions & Performance Data
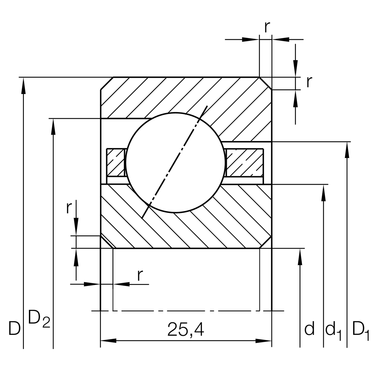
| d | 228.6 mm | Bore diameter |
| d | 228.6 mm | Bore diameter (Inch) |
| D | 279.4 mm | Outside diameter |
| B | 25.4 mm | Width |
| Cr | 50,000 N | Basic dynamic load rating, radial |
| C0r | 75,000 N | Basic static load rating, radial |
| nG | 2,100 1/min | Limiting speed |
| ≈m | 3.27 kg | Weight |
Dimensions
| rmin | 2 mm | Minimum chamfer dimension |
| d1 | 247.5 mm | Shoulder diameter inner ring |
| D1 | 260.6 mm | Shoulder diameter on outer ring wide side face |
| D2 | 266.3 mm | Shoulder diameter on outer ring small side face |
| α | 30 ° | Contact angle |
Temperature range
| Tmin | -30 °C | Operating temperature min. |
| Tmax | 120 °C | Operating temperature max. |
Your current product variant
| Logistical code | HLE | – |
| Sealing | Without | not sealed |
| Tolerance class | PL1 | Class PL1, Normal |
| Cage | YP | brass sheet metal |
Characteristics




