Description

Metric
Imperial
Main Dimensions & Performance Data
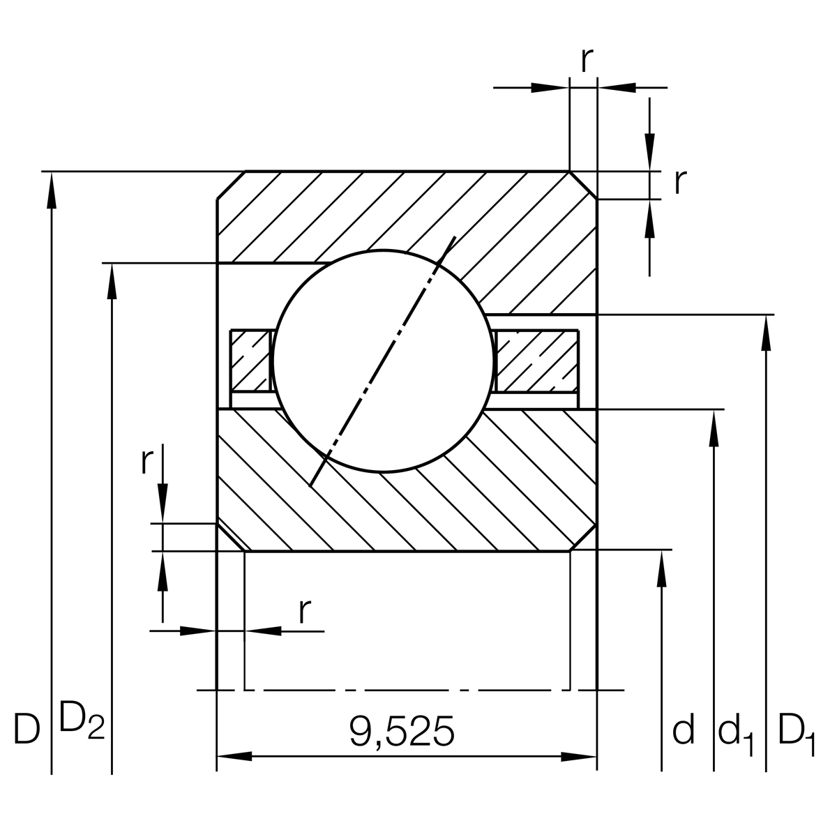
| d | 139.7 mm | Bore diameter |
| d | 139.7 mm | Bore diameter (Inch) |
| D | 158.75 mm | Outside diameter |
| B | 9.525 mm | Width |
| Cr | 9,000 N | Basic dynamic load rating, radial |
| C0r | 13,700 N | Basic static load rating, radial |
| nG | 3,850 1/min | Limiting speed |
| ≈m | 260 g | Weight |
Dimensions
| rmin | 1 mm | Minimum chamfer dimension |
| d1 | 146.7 mm | Shoulder diameter inner ring |
| D1 | 151.7 mm | Shoulder diameter on outer ring wide side face |
| D2 | 153.7 mm | Shoulder diameter on outer ring small side face |
| α | 30 ° | Contact angle |
Temperature range
| Tmin | -30 °C | Operating temperature min. |
| Tmax | 120 °C | Operating temperature max. |
Your current product variant
| Logistical code | HLE | – |
| Sealing | Without | not sealed |
| Tolerance class | PL1 | Class PL1, Normal |
| Cage | YP | brass sheet metal |
Characteristics




