Description

Metric
Imperial
Main Dimensions & Performance Data
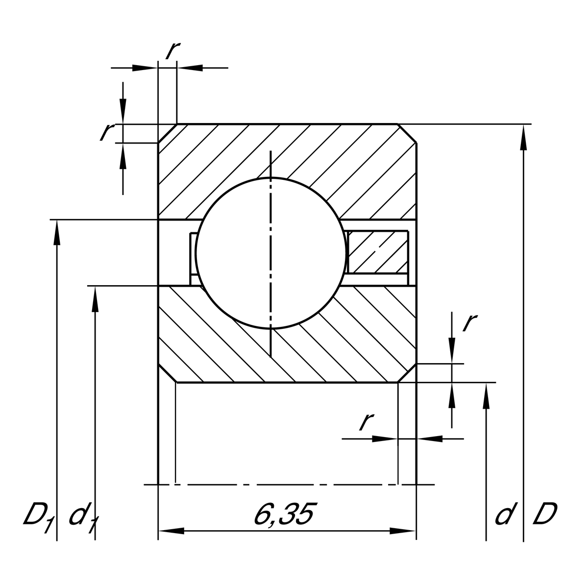
| d | 107.95 mm | Bore diameter |
| d | 107.95 mm | Bore diameter (Inch) |
| D | 120.65 mm | Outside diameter |
| B | 6.35 mm | Width |
| Cr | 4,300 N | Basic dynamic load rating, radial |
| C0r | 5,500 N | Basic static load rating, radial |
| nG | 5,100 1/min | Limiting speed |
| ≈m | 90 g | Weight |
Dimensions
| rmin | 0.6 mm | Minimum chamfer dimension |
| d1 | 112.6 mm | Shoulder diameter inner ring |
| D1 | 115.9 mm | Shoulder diameter outer ring |
Temperature range
| Tmin | -30 °C | Operating temperature min. |
| Tmax | 120 °C | Operating temperature max. |
Your current product variant
| Logistical code | HLE | – |
| Sealing | Without | not sealed |
| Cage | YH | brass sheet metal |
| Tolerance class | PL1 | Class PL1, Normal |
| Lubricant | Without | Bearing not greased |
Characteristics




