B7002-C-T-P4S-UL
Spindle bearing
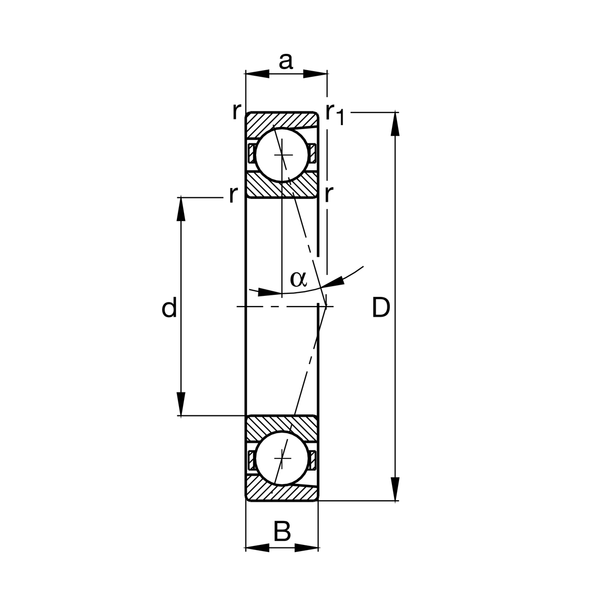
Spindle bearings B70..-C, adjusted, in pairs or sets, contact angle α = 15°, restricted tolerances
Replaces
B7002C.T.P4S.UL, B7002C.TPA.P4.UL
Spindle bearing
Spindle bearings B70..-C, adjusted, in pairs or sets, contact angle α = 15°, restricted tolerances



Metric
Imperial
| d | 15 mm | Bore diameter |
| D | 32 mm | Outside diameter |
| B | 9 mm | Width |
| Cr | 6,100 N | Basic dynamic load rating, radial |
| C0r | 2,410 N | Basic static load rating, radial |
| Cur | 255 N | Fatigue load limit, radial |
| nG Grease | 53,000 1/min | Limiting speed for grease lubrication |
| nG Oil | 80,000 1/min | Limiting speed for oil lubrication |
| ≈m | 0.03 kg | Weight |
| da | 19 mm | Diameter shaft shoulder |
| da | h12 | Diameter shaft shoulder clearance |
| Da | 29 mm | Shoulder diameter outer ring |
| Da | H12 | Shoulder diameter outer ring clearance |
| ra max | 0.3 mm | Maximum recess radius |
| ra1 max | 0.1 mm | Maximum recess radius |
| Etk min | 21.1 mm | Minimum diameter injection pitch |
| Etk max | 22.3 mm | Maximum diameter injection pitch |
| Etk1 min | 21.1 mm | Minimum diameter injection pitch |
| Etk1 max | 22.3 mm | Maximum diameter injection pitch |
| a | 7.6 mm | Distance between the apexes of the pressure cones |
| rmin | 0.3 mm | Minimum chamfer dimension |
| r1 min | 0.3 mm | Minimum chamfer dimension |
| α | 15 ° | Contact angle |
| Tmin | -30 °C | Operating temperature min. |
| Tmax | 100 °C | Operating temperature max. |
| FV L | 27 N | Preload force light |
| FV M | 99 N | Preload force medium |
| FV H | 204 N | Preload force heavy |
| KaE L | 84 N | Lift-off force light |
| KaE M | 332 N | Lift-off force medium |
| KaE H | 733 N | Lift-off force heavy |
| ca L | 16.6 N/µm | Axial rigidity light |
| ca M | 29.7 N/µm | Axial rigidity medium |
| ca H | 43 N/µm | Axial rigidity heavy |
| Contact angle | C | Contact angle 15° |
| Lubricant | Without | |
| Sealing | Without | |
| Outer shape | Standard | |
| Cage | T | Laminated fabric cage |
| Tolerance class | P4S | tolerance class P4S, FAG standard better than P4 to DIN 620 |
| Arrangement bearing set | U | Single bearing |
| Preload | L | preload light |
Characteristics