B7001-E-2RSD-T-P4S-UL
Spindle bearing
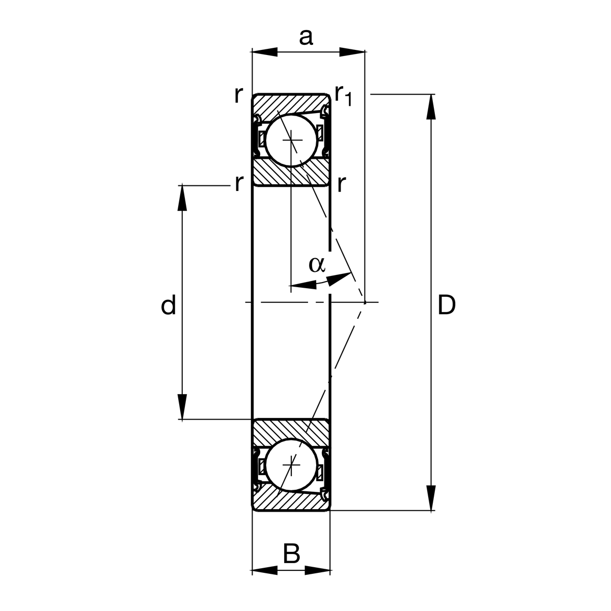
Spindle bearings B70..-E-2RSD, adjusted, in pairs or sets, contact angle α = 25°, lip seals on both sides, non-contact, restricted tolerances
Replaces
B7001E.2RSD.T.P4S.UL
Spindle bearing
Spindle bearings B70..-E-2RSD, adjusted, in pairs or sets, contact angle α = 25°, lip seals on both sides, non-contact, restricted tolerances



Metric
Imperial
| d | 12 mm | Bore diameter |
| D | 28 mm | Outside diameter |
| B | 8 mm | Width |
| Cr | 4,450 N | Basic dynamic load rating, radial |
| C0r | 1,750 N | Basic static load rating, radial |
| Cur | 185 N | Fatigue load limit, radial |
| nG Grease | 53,000 1/min | Limiting speed for grease lubrication |
| ≈m | 20 g | Weight |
| da | 16.5 mm | Diameter shaft shoulder |
| da | h12 | Diameter shaft shoulder clearance |
| Da | 24.5 mm | Shoulder diameter outer ring |
| Da | H12 | Shoulder diameter outer ring clearance |
| ra max | 0.3 mm | Maximum recess radius |
| ra1 max | 0.1 mm | Maximum recess radius |
| a | 8.7 mm | Distance between the apexes of the pressure cones |
| rmin | 0.3 mm | Minimum chamfer dimension |
| r1 min | 0.3 mm | Minimum chamfer dimension |
| α | 25 ° | Contact angle |
| Tmin | -30 °C | Operating temperature min. |
| Tmax | 80 °C | Operating temperature max. |
| FV L | 23 N | Preload force light |
| FV M | 109 N | Preload force medium |
| FV H | 248 N | Preload force heavy |
| KaE L | 66 N | Lift-off force light |
| KaE M | 328 N | Lift-off force medium |
| KaE H | 775 N | Lift-off force heavy |
| ca L | 31.8 N/µm | Axial rigidity light |
| ca M | 57.2 N/µm | Axial rigidity medium |
| ca H | 80.3 N/µm | Axial rigidity heavy |
| Contact angle | E | Contact angle 25° |
| Lubricant | Standard | |
| Sealing | 2RSD | non-contact sealed on both sides and greased “for life” |
| Outer shape | Standard | |
| Cage | T | Laminated fabric cage |
| Tolerance class | P4S | tolerance class P4S, FAG standard better than P4 to DIN 620 |
| Arrangement bearing set | U | Single bearing |
| Preload | L | preload light |
Characteristics