Avada Car Dealership Logo

7004-B-XL-2RS-TVP

Home » Product » 7004-B-XL-2RS-TVP

7004-B-XL-2RS-TVP

Angular contact ball bearing

Angular contact ball bearing 70..-B-XL-2RS-TVP, single row, X-life, seals, plastic cage

Replaces
7004B.2RS.TVP, 7004-B-2RS-TVP

Description

7004-B-XL-2RS-TVP

7004-B-XL-2RS-TVP

Metric

Imperial

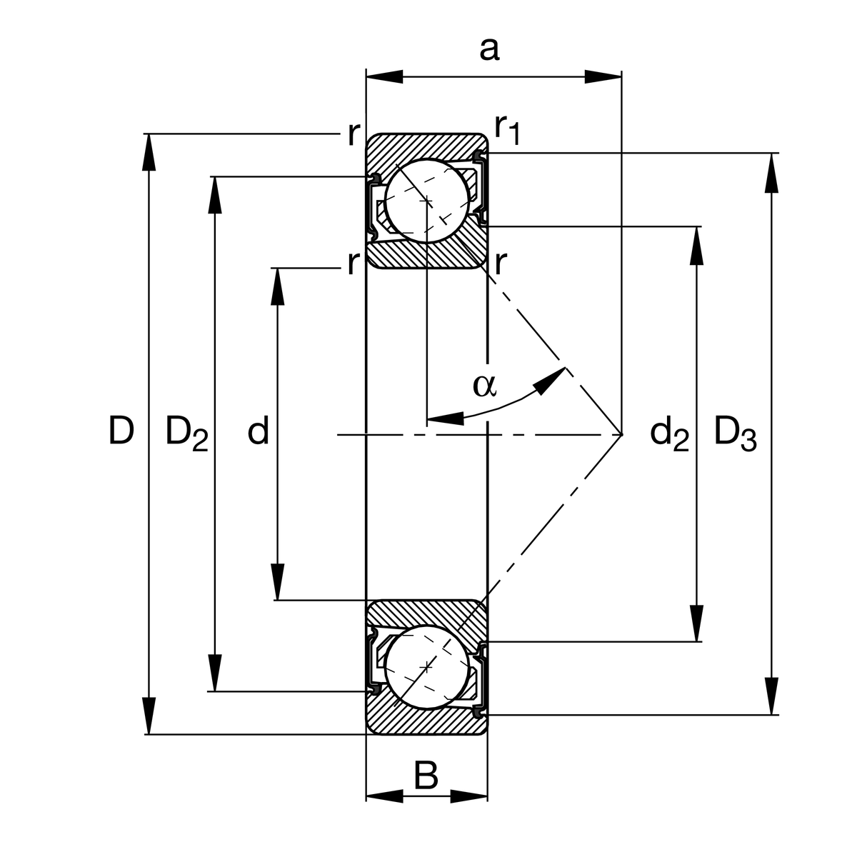
Main Dimensions & Performance Data
d20 mmBore diameter
D42 mmOutside diameter
B12 mmWidth
Cr14,500 NBasic dynamic load rating, radial
C0r8,000 NBasic static load rating, radial
Cur560 NFatigue load limit, radial
nG9,800 1/minLimiting speed
≈m0.06 kgWeight
Mounting dimensions
da min23.2 mmMinimum diameter of shaft shoulder
Da max38.8 mmMaximum diameter of housing shoulder
Db max40 mmMaximum diameter of housing shoulder
ra max0.6 mmMaximum fillet radius of shaft
ra1 max0.3 mmMaximum fillet radius of housing
Dimensions
rmin0.6 mmMinimum chamfer dimension
r1 min0.3 mmMinimum chamfer dimension
D134.8 mmShoulder diameter on outer ring wide side face
D235.5 mmCaliber diameter on outer ring wide side face
D339.8 mmCaliber diameter on outer ring small side face
d128.9 mmShoulder diameter on inner ring wide side face
d226.5 mmCaliber diameter on inner ring wide side face
a19.4 mmDistance between the apexes of the pressure cones
α40 °Contact angle
Temperature range
Tmin-20 °COperating temperature min.
Tmax100 °COperating temperature max.
Your current product variant
Design variantBDesign variant B
Sealing2RSContact seal on both sides
CageTVPsolid cage made of glass-fiber reinforced polyamid PA66
Tolerance classPNNormal (PN)
LubricantGA14Ball bearing grease, low noise, standard for D<=62mm
Dimensional / heat stabilizationS0Rings dimensional stabilized up to 150°

Characteristics

clusteriteminfo.radialloadtranslation
clusteriteminfo.axialloadinonedirectiontranslation
clusteriteminfo.lifetimelubricationfreedomfrommaintenancetranslation
clusteriteminfo.greaselubricationtranslation
clusteriteminfo.sealedonbothsidestranslation

recently added Bearing

Title

Go to Top