Avada Car Dealership Logo

6005-C-2Z-L038>V

Home » Product » 6005-C-2Z-L038>V

6005-C-2Z-L038>V

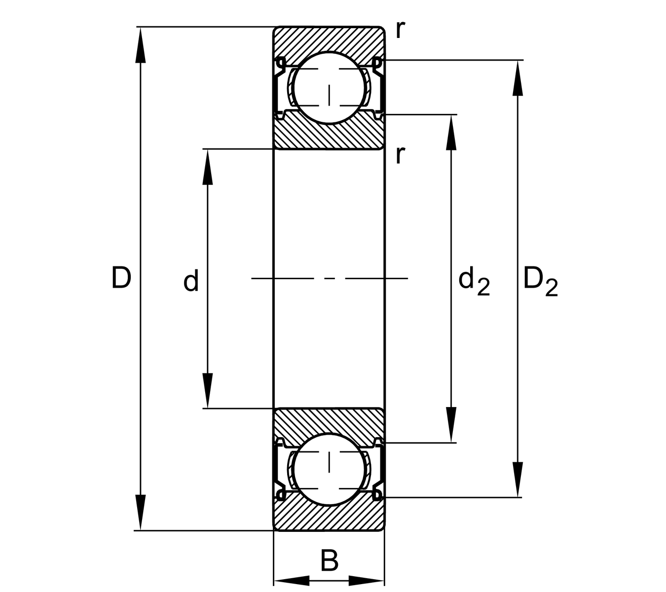
Deep groove ball bearing

Deep groove ball bearing 60..-C-2Z, single row, Generation C, shields, steel sheet metal cage

Description

6005-C-2Z-L038>V” title=”6005-C-2Z-L038>V” data-test-id=”technical-image”></p><div class=
6005-C-2Z-L038>V” title=”6005-C-2Z-L038>V” data-test-id=”technical-image”></p><div class=

Metric

Imperial

Main Dimensions & Performance Data
d25 mmBore diameter
D47 mmOutside diameter
B12 mmWidth
Cr12,600 NBasic dynamic load rating, radial
C0r6,500 NBasic static load rating, radial
Cur420 NFatigue load limit, radial
nG20,200 1/minLimiting speed
nϑr16,400 1/minReference speed
≈m0.074 kgWeight
Mounting dimensions
da min28.2 mmMinimum diameter shaft shoulder
Da max43.8 mmMaximum diameter of housing shoulder
ra max0.6 mmMaximum fillet radius
Dimensions
rmin0.6 mmMinimum chamfer dimension
D242.66 mmCaliber diameter outer ring
d229.93 mmCaliber diameter inner ring
Temperature range
Tmin-20 °COperating temperature min.
Tmax120 °COperating temperature max.
Calculation factors
f014.3 Calculation factor
Your current product variant
Version code>VNot marked on bearing
Changed internal designCGenerationC
Sealing2ZNon-contact shield on both sides
CageJNsteel sheet metal
Tolerance classP6Class6 (P6), better than PN
Dimensional / heat stabilizationSNRings dimensional stabilized up to 120°
LubricantL038Grease (L038/customer specific)
Fill factorStandard
Radial internal clearanceCNGroup N (CN)
Bore typeZCylindrical

Characteristics

clusteriteminfo.radialloadtranslation
clusteriteminfo.axialloadinonedirectiontranslation
clusteriteminfo.axialloadintwodirectionstranslation
clusteriteminfo.lifetimelubricationfreedomfrommaintenancetranslation
clusteriteminfo.greaselubricationtranslation
clusteriteminfo.sealedonbothsidestranslation

recently added Bearing

Title

Go to Top