Description


Metric
Imperial
Main Dimensions & Performance Data
| d | 10 mm | Bore diameter |
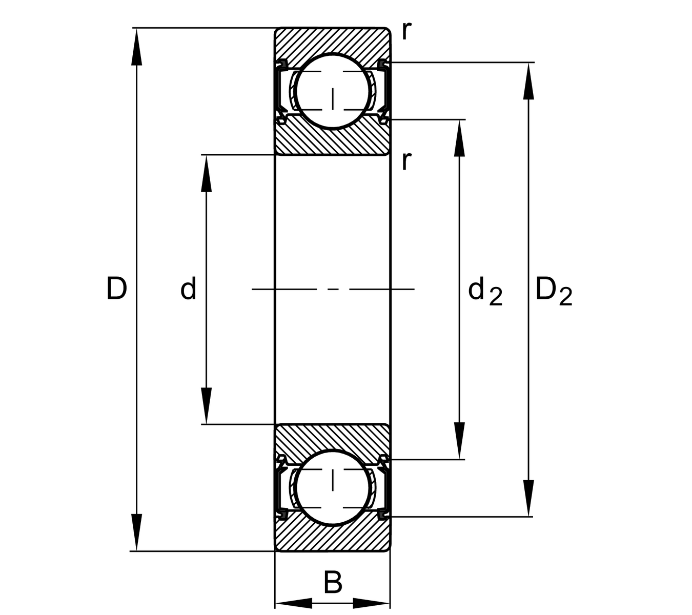
| D | 26 mm | Outside diameter |
| B | 8 mm | Width |
| Cr | 5,300 N | Basic dynamic load rating, radial |
| C0r | 1,970 N | Basic static load rating, radial |
| Cur | 136 N | Fatigue load limit, radial |
| nG | 28,500 1/min | Limiting speed |
| ≈m | 0.018 kg | Weight |
Mounting dimensions
| da min | 12 mm | Minimum diameter shaft shoulder |
| Da max | 24 mm | Maximum diameter of housing shoulder |
| ra max | 0.3 mm | Maximum fillet radius |
Dimensions
| rmin | 0.3 mm | Minimum chamfer dimension |
| D2 | 23.09 mm | Caliber diameter outer ring |
| d2 | 13.69 mm | Caliber diameter inner ring |
Temperature range
| Tmin | -20 °C | Operating temperature min. |
| Tmax | 100 °C | Operating temperature max. |
Calculation factors
| f0 | 12.4 | Calculation factor |
Your current product variant
| Version code | >V | Not marked on bearing |
| Changed internal design | C | GenerationC |
| Sealing | 2HRS | Contact seal on both sides |
| Cage | JN | steel sheet metal |
| Tolerance class | P6 | Class6 (P6), better than PN |
| Dimensional / heat stabilization | SN | Rings dimensional stabilized up to 120° |
| Lubricant | L038 | Grease (L038/customer specific) |
| Fill factor | Standard | |
| Radial internal clearance | C3 | Group 3 (C3), bigger than CN |
| Bore type | Z | Cylindrical |
Characteristics




