Avada Car Dealership Logo

53200

Home » Product » 53200

53200

Axial deep groove ball bearing

Axial deep groove ball bearing 532, single direction, with spherical housing washer, steel sheet metal cage

Description

53200

53200

53200

53200

Metric

Imperial

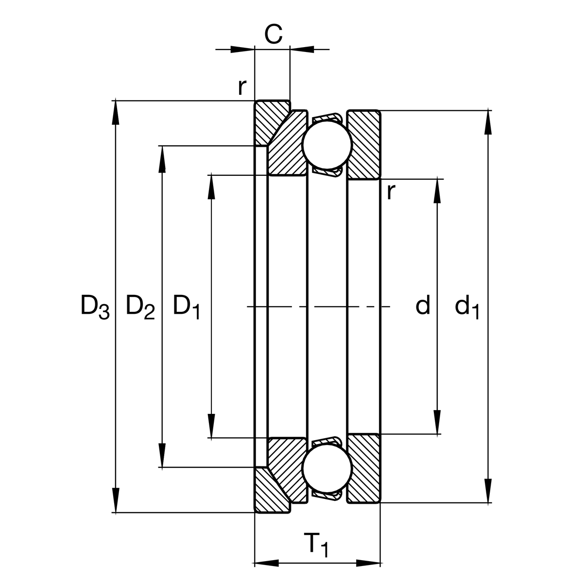
Main Dimensions & Performance Data
d10 mmInner diameter shaft washer
D26 mmOuter diameter housing washer
T11.6 mmHeight
Ca12,700 NBasic dynamic load rating, axial
C0a17,100 NBasic static load rating, axial
Cua780 NFatigue load limit, axial
nG10,900 1/minLimiting speed
nϑr19,100 1/minReference speed
≈m28 gWeight
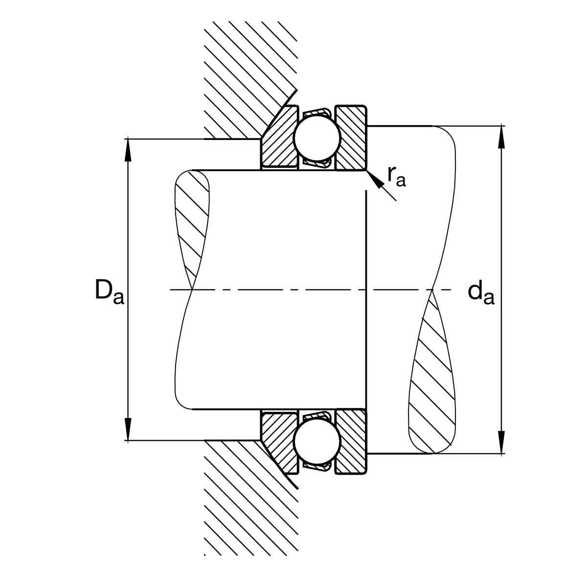
Mounting dimensions
da min20 mmMinimum diameter shaft shoulder
Da max18 mmMaximum diameter of housing shoulder
ra max0.6 mmMaximum filled radius
Dimensions
rmin0.6 mmMinimum chamfer dimension
D112 mmInner diameter housing washer
d126 mmOuter diameter shaft washer
R22 mmRadius spherical housing washer
A8.5 mmDistance of the center point
T113 mmHeight with seat washer
Temperature range
Tmin-30 °COperating temperature min.
Tmax150 °COperating temperature max.
Calculation factors
A0.002 Minimum load factor
Additional information
U200 Seat washer
Your current product variant
CageJsteel sheet metal
Tolerance classPNNormal (PN)

Characteristics

clusteriteminfo.axialloadinonedirectiontranslation
clusteriteminfo.greaselubricationtranslation
clusteriteminfo.oillubricationtranslation
clusteriteminfo.notsealedtranslation
clusteriteminfo.staticangularerrorandmisalignmenttranslation

recently added Bearing

Title

Go to Top