Description


Metric
Imperial
Main Dimensions & Performance Data
| d | 30 mm | Bore diameter |
| D | 72 mm | Outside diameter |
| B | 30.2 mm | Width |
| Cr | 41,500 N | Basic dynamic load rating, radial |
| C0r | 34,500 N | Basic static load rating, radial |
| Cur | 1,870 N | Fatigue load limit, radial |
| nG | 10,900 1/min | Limiting speed |
| nϑr | 7,500 1/min | Reference speed |
| ≈m | 0.657 kg | Weight |
Mounting dimensions
| da min | 37 mm | Minimum diameter shaft shoulder |
| Da max | 65 mm | Maximum diameter of housing shoulder |
| ra max | 1 mm | Maximum fillet radius |
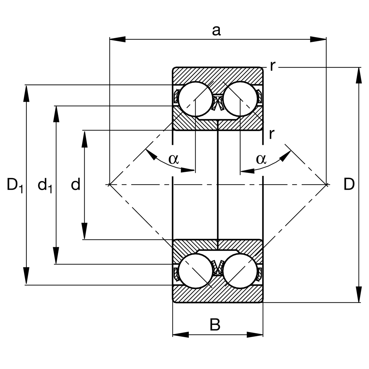
Dimensions
| rmin | 1.1 mm | Minimum chamfer dimension |
| D1 | 61.5 mm | Shoulder diameter outer ring |
| d1 | 48.2 mm | Shoulder diameter inner ring |
| a | 67 mm | Distance between the apexes of the pressure cones |
| α | 45 ° | Contact angle |
Temperature range
| Tmin | -30 °C | Operating temperature min. |
| Tmax | 150 °C | Operating temperature max. |
Your current product variant
| Lubricant | Without | Bearing not greased |
| Sealing | Without | not sealed |
| Cage | J | steel sheet metal |
| Tolerance class | PN | Normal (PN) |
| Axial internal clearance | CN | Group N (CN) |
| Changed internal design | DA | Desing variant DA |
Characteristics




