Avada Car Dealership Logo

3001-2RS-C3

Home » Product » 3001-2RS-C3

3001-2RS-C3

Angular contact ball bearing

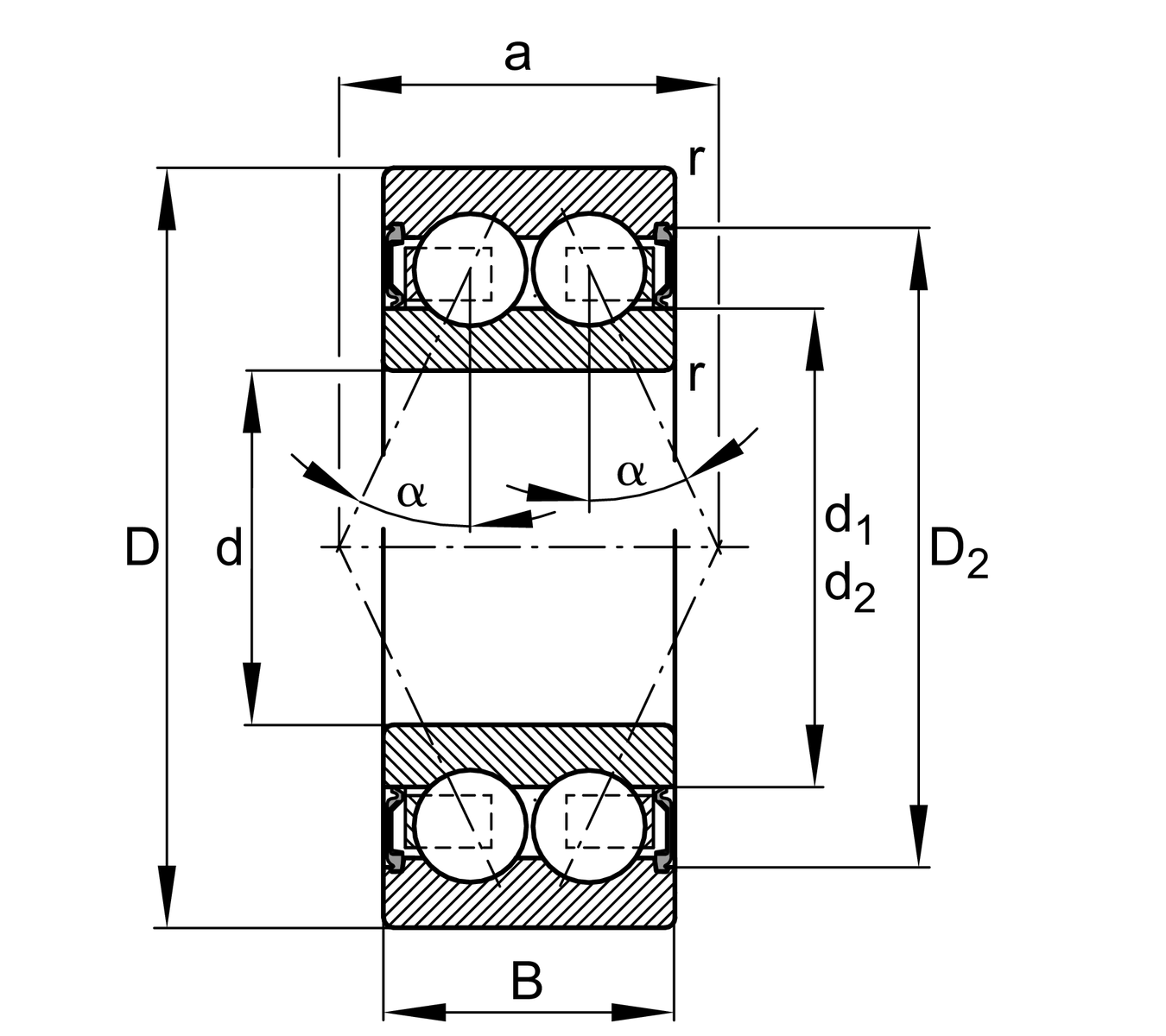
Angular contact ball bearing 30..-B-2RS-TVH, double row, seals, plastic cage

Description

3001-2RS-C3

3001-2RS-C3

Metric

Imperial

Main Dimensions & Performance Data
d12 mmBore diameter
D28 mmOutside diameter
B12 mmWidth
Cr6,100 NBasic dynamic load rating, radial
C0r3,700 NBasic static load rating, radial
Cur193 NFatigue load limit, radial
nG15,800 1/minLimiting speed
≈m0.037 kgWeight
Mounting dimensions
da min14 mmMinimum diameter shaft shoulder
Da max26 mmMaximum diameter of housing shoulder
ra max0.3 mmMaximum fillet radius
Dimensions
rmin0.3 mmMinimum chamfer dimension
D223.2 mmCaliber diameter outer ring
d216.4 mmCaliber diamter inner ring
a13.5 mmDistance between the apexes of the pressure cones
α25 °Contact angle
Temperature range
Tmin-20 °COperating temperature min.
Tmax100 °COperating temperature max.
Your current product variant
LubricantGA14Ball bearing grease, low noise, standard for D<=62mm
Sealing2RSContact seal on both sides
CageTVHsolid cage made of glass-fiber reinforced polyamid PA66
Tolerance classPNNormal (PN)
Axial internal clearanceC3Group 3 (C3), bigger than CN
Dimensional / heat stabilizationSNRings dimensional stabilized up to 120°
Design variantBDesign variant B

Characteristics

clusteriteminfo.radialloadtranslation
clusteriteminfo.axialloadinonedirectiontranslation
clusteriteminfo.axialloadintwodirectionstranslation
clusteriteminfo.lifetimelubricationfreedomfrommaintenancetranslation
clusteriteminfo.greaselubricationtranslation
clusteriteminfo.sealedonbothsidestranslation

recently added Bearing

Title

Go to Top