Description


Metric
Imperial
Main Dimensions & Performance Data
| d | 8 mm | Bore diameter |
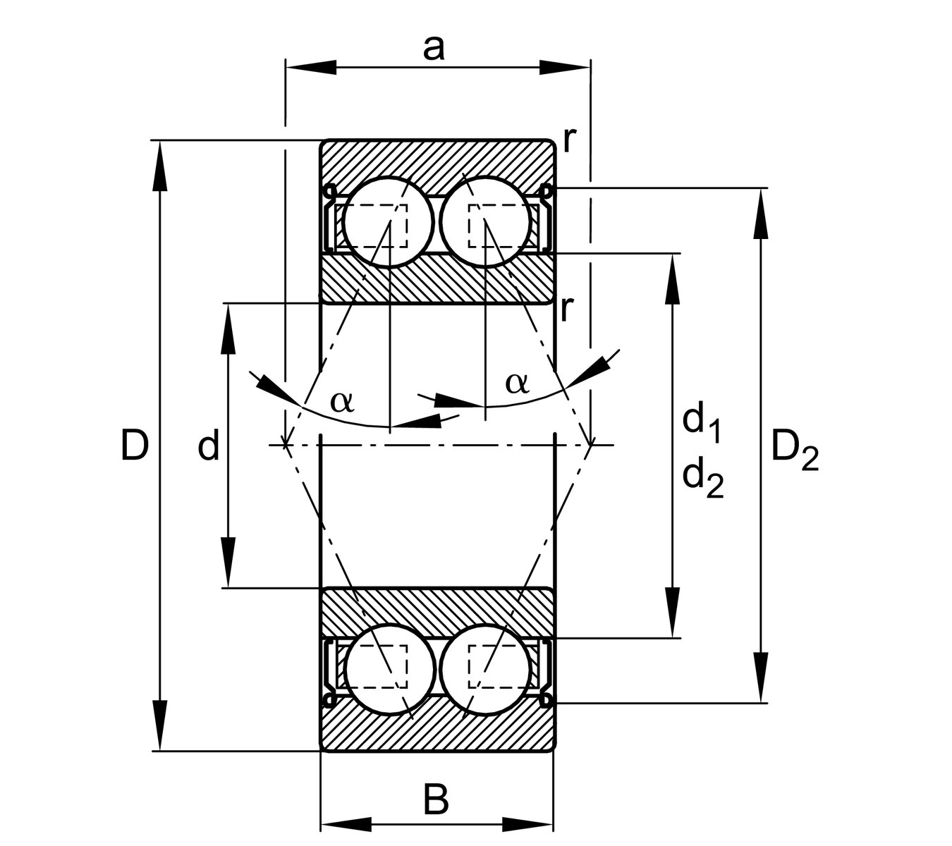
| D | 22 mm | Outside diameter |
| B | 11 mm | Width |
| Cr | 5,100 N | Basic dynamic load rating, radial |
| C0r | 2,600 N | Basic static load rating, radial |
| Cur | 136 N | Fatigue load limit, radial |
| nG | 26,000 1/min | Limiting speed |
| nϑr | 26,000 1/min | Reference speed |
| ≈m | 0.02 kg | Weight |
Mounting dimensions
| da min | 10 mm | Minimum diameter shaft shoulder |
| Da max | 20 mm | Maximum diameter of housing shoulder |
| ra max | 0.3 mm | Maximum fillet radius |
Dimensions
| rmin | 0.3 mm | Minimum chamfer dimension |
| D2 | 19 mm | Caliber diameter outer ring |
| d2 | 10.5 mm | Caliber diamter inner ring |
| a | 11.2 mm | Distance between the apexes of the pressure cones |
| α | 25 ° | Contact angle |
Temperature range
| Tmin | -20 °C | Operating temperature min. |
| Tmax | 120 °C | Operating temperature max. |
Your current product variant
| Lubricant | GA14 | Ball bearing grease, low noise, standard for D<=62mm |
| Sealing | 2Z | Non-contact shield on both sides |
| Cage | TVH | solid cage made of glass-fiber reinforced polyamid PA66 |
| Tolerance class | PN | Normal (PN) |
| Axial internal clearance | CN | Group N (CN) |
| Dimensional / heat stabilization | SN | Rings dimensional stabilized up to 120° |
| Design variant | B | Design variant B |
Characteristics




