29318-E1-XL
Axial spherical roller bearing
Axial spherical roller bearing 293..-E1-XL, no flanging ring
Replaces
29318-E1
Axial spherical roller bearing
Axial spherical roller bearing 293..-E1-XL, no flanging ring



Metric
Imperial
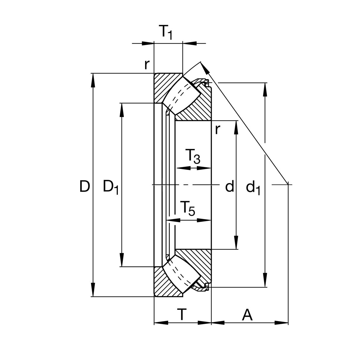
| d | 90 mm | Bore diameter |
| D | 155 mm | Outside diameter |
| T | 39 mm | Height |
| Ca | 420,000 N | Basic dynamic load rating, axial |
| C0a | 1,130,000 N | Basic static load rating, axial |
| Cua | 164,000 N | Fatigue load limit, axial |
| nG | 4,650 1/min | Limiting speed |
| nϑr | 2,140 1/min | Reference speed |
| ≈m | 2.68 kg | Weight |
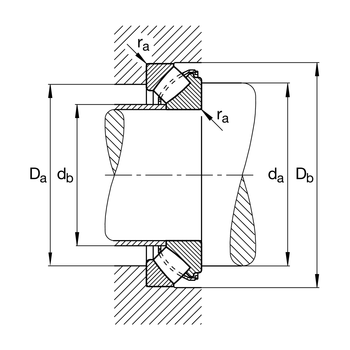
| da min | 125 mm | Minimum diameter shaft shoulder |
| Da max | 135 mm | Maximum diameter of housing shoulder |
| Db min | 158 mm | Minimum bore diameter housing |
| db max | 97 mm | Maximum distance sleeve |
| ra max | 1.5 mm | Maximum recess radius |
| D1 | 115 mm | Bore diameter housing washer |
| d1 | 142.3 mm | Rip diameter shaft washer |
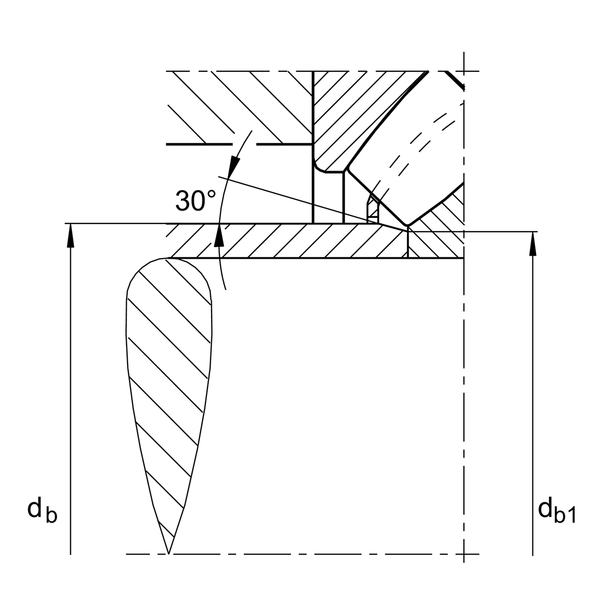
| rmin | 1.5 mm | Minimum chamfer dimension |
| T1 | 19.5 mm | Height of the housing washer |
| T3 | 24.5 mm | Height of the shaft washer |
| T5 | 34.5 mm | Distance shaft washer – cage |
| A | 52 mm | Distance of the center point |
| Tmin | -30 °C | Operating temperature min. |
| Tmax | 200 °C | Operating temperature max. |
| Cage | JP | Sheet metal cage |
| Locating feature, shaft washer | Without | |
| Handling thread holes | Without | |
| Heat treatment | Standard | |
| Constricted width and inclination variation | Standard | |
| Test certificate | Without |
Characteristics