292/560-E1-MB
Axial spherical roller bearing
Axial spherical roller bearing 292..-E1-MB, with flanging ring
Replaces
292/560E1MB
Axial spherical roller bearing
Axial spherical roller bearing 292..-E1-MB, with flanging ring


Metric
Imperial
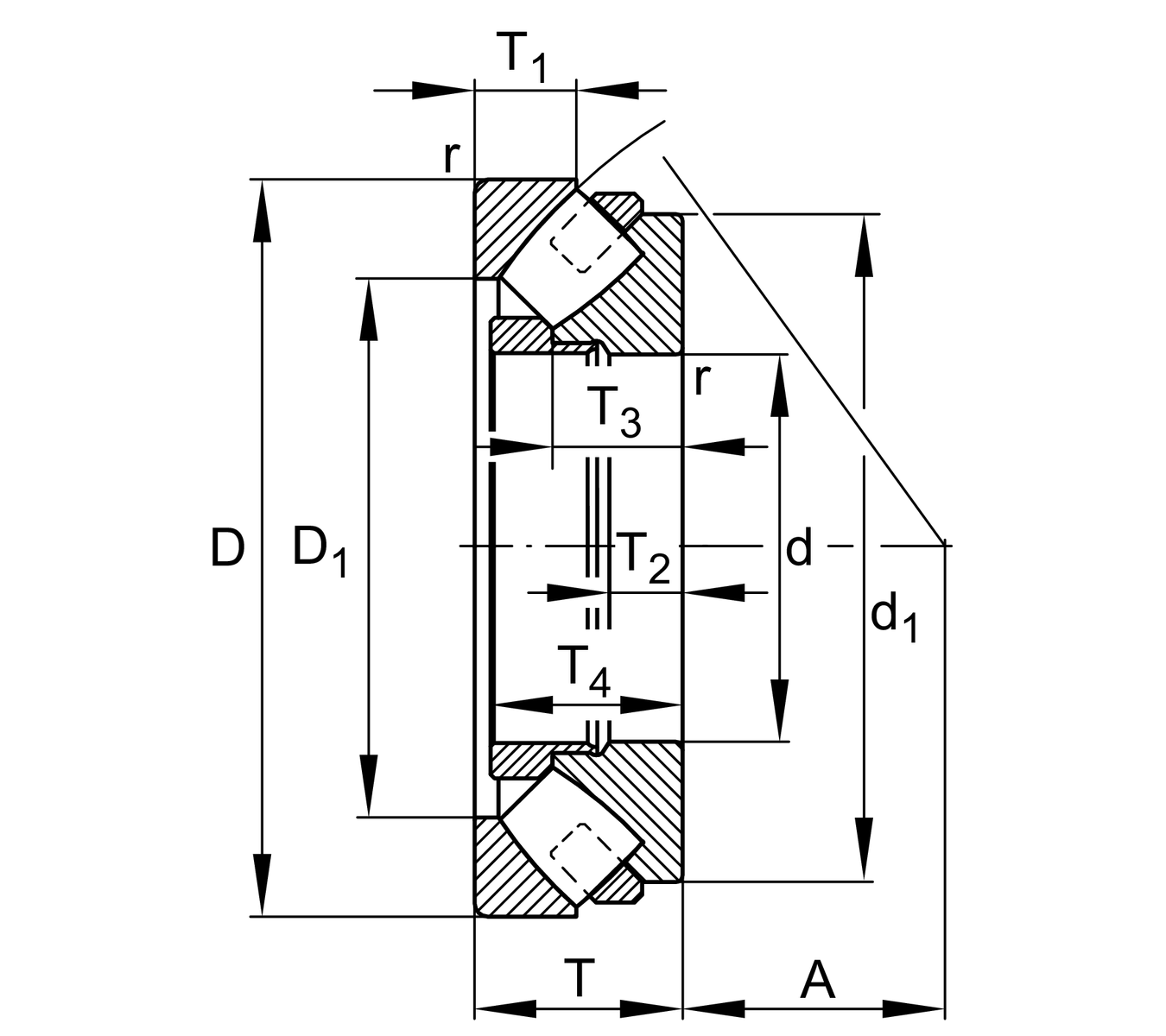
| d | 560 mm | Bore diameter |
| D | 750 mm | Outside diameter |
| T | 115 mm | Section height |
| Ca | 3,450,000 N | Basic dynamic load rating, axial |
| C0a | 18,100,000 N | Basic static load rating, axial |
| Cua | 1,710,000 N | Fatigue load limit, axial |
| nG | 790 1/min | Limiting speed |
| nϑr | 440 1/min | Reference speed |
| ≈m | 138 kg | Weight |
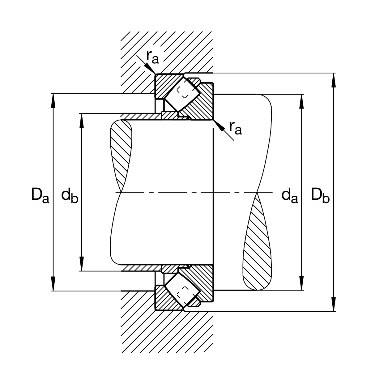
| da min | 655 mm | Minimum diameter shaft shoulder |
| Da max | 697 mm | Maximum diameter of housing shoulder |
| Db min | 762 mm | Minimum bore diameter housing |
| db max | 587 mm | Maximum distance sleeve |
| ra max | 4 mm | Maximum recess radius |
| D1 | 644 mm | Bore diameter housing washer |
| d1 | 715 mm | Rip diameter shaft washer |
| rmin | 5 mm | Minimum chamfer dimension |
| T1 | 60 mm | Height of the housing washer |
| T2 | 41 mm | Height of shaft washer |
| T3 | 71 mm | Height of the shaft washer |
| T4 | 111 mm | Height of shaft washer, inc. lip ring |
| A | 302 mm | Distance of the center point |
| Tmin | -30 °C | Operating temperature min. |
| Tmax | 200 °C | Operating temperature max. |
| Cage | MB | Solid brass cage |
| Locating feature, shaft washer | Without | |
| Handling thread holes | Without | |
| Heat treatment | Standard | |
| Constricted width and inclination variation | Standard | |
| Test certificate | Without |
Characteristics