22256-BEA-XL-MB1-C3
Spherical roller bearing
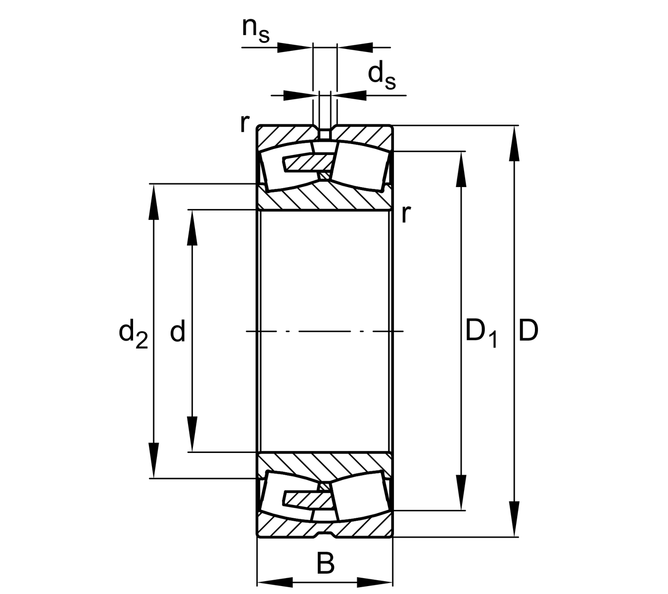
Spherical roller bearing 222..-BEA-XL-MB1, symmetric 2 outer ribs with rib washer
Replaces
22256-B-MB-C3, 22256-E1A-MB1-C3, 22256-E1A-XL-MB1-C3
Spherical roller bearing
Spherical roller bearing 222..-BEA-XL-MB1, symmetric 2 outer ribs with rib washer


Metric
Imperial
| d | 280 mm | Bore diameter |
| D | 500 mm | Outside diameter |
| B | 130 mm | Width |
| Cr | 2,750,000 N | Basic dynamic load rating, radial |
| C0r | 3,700,000 N | Basic static load rating, radial |
| Cur | 320,000 N | Fatigue load limit, radial |
| nG | 1,650 1/min | Limiting speed |
| nϑr | 990 1/min | Reference speed |
| ≈m | 108.46 kg | Weight |
| da min | 300 mm | Minimum diameter shaft shoulder |
| Da max | 480 mm | Maximum diameter of housing shoulder |
| ra max | 4 mm | Maximum recess radius |
| rmin | 5 mm | Minimum chamfer dimension |
| D1 | 436 mm | Bore diameter outer ring |
| ds | 12.5 mm | Diameter lubrication hole |
| ns | 23.5 mm | Width of lubricating groove |
| Tmin | -30 °C | Operating temperature min. |
| Tmax | 200 °C | Operating temperature max. |
| e | 0.25 | Limiting value of Fa/Fr for the applicability of diff. Values of factors X and Y |
| Y1 | 2.71 | Dynamic axial load factor |
| Y2 | 4.04 | Dynamic axial load factor |
| Y0 | 2.65 | Static axial load factor |
| Design | BEA | with lose center lip ring |
| Bore type | Z | Cylindrical |
| Cage | MB1 | Solid brass cage |
| Radial internal clearance | C3 | Group 3 (C3) |
| Relubrication feature | Standard |
Characteristics