22252-BEA-XL-K-MB1
Spherical roller bearing
Spherical roller bearing 222..-BEA-XL-K-MB1, symmetric 2 outer ribs with rib washer
Replaces
22252-B-K-MB, 22252-E1A-K-MB1
Spherical roller bearing
Spherical roller bearing 222..-BEA-XL-K-MB1, symmetric 2 outer ribs with rib washer


Metric
Imperial
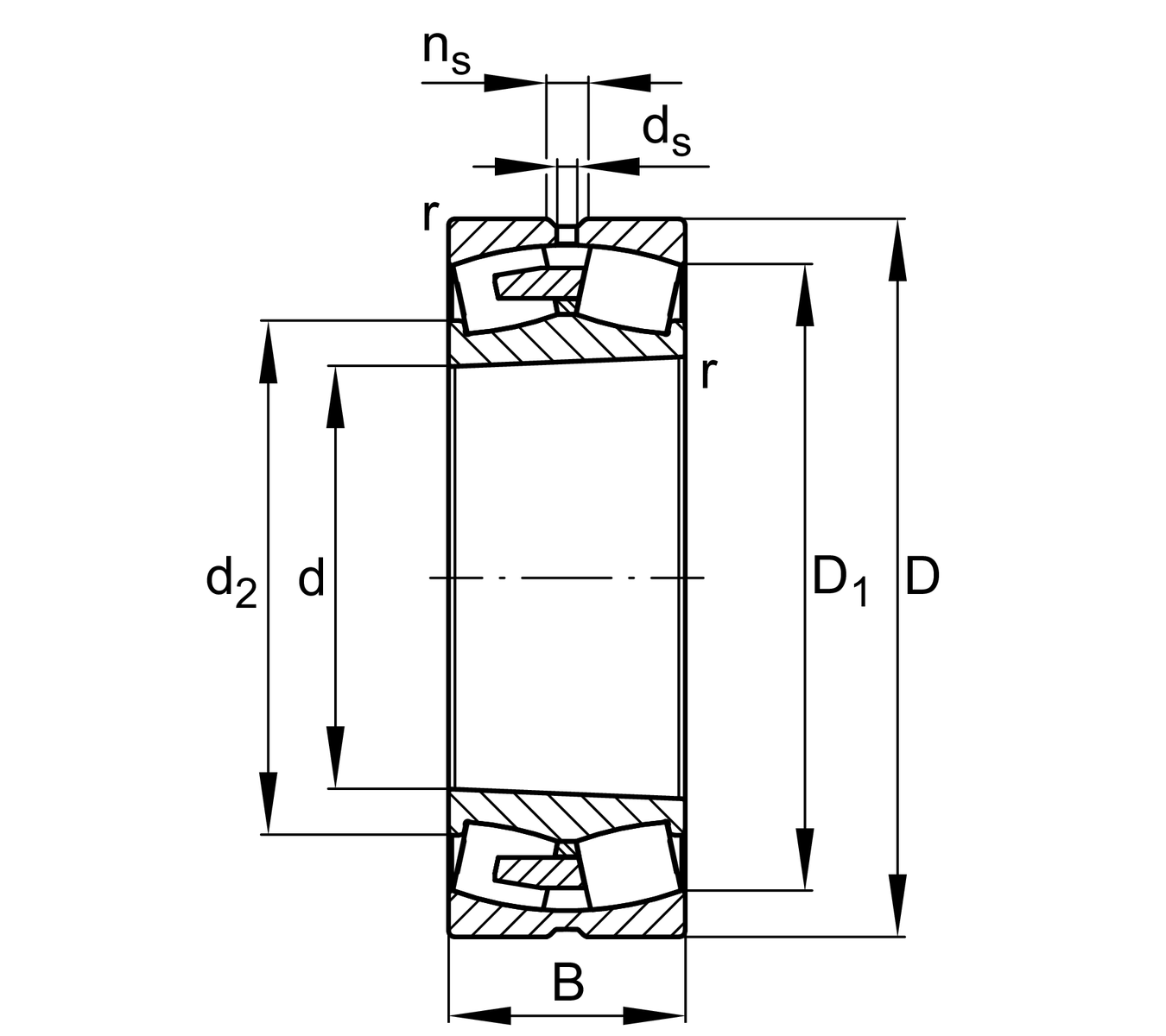
| d | 260 mm | Bore diameter |
| D | 480 mm | Outside diameter |
| B | 130 mm | Width |
| Cr | 2,600,000 N | Basic dynamic load rating, radial |
| C0r | 3,450,000 N | Basic static load rating, radial |
| Cur | 295,000 N | Fatigue load limit, radial |
| nG | 1,720 1/min | Limiting speed |
| nϑr | 1,070 1/min | Reference speed |
| ≈m | 101.01 kg | Weight |
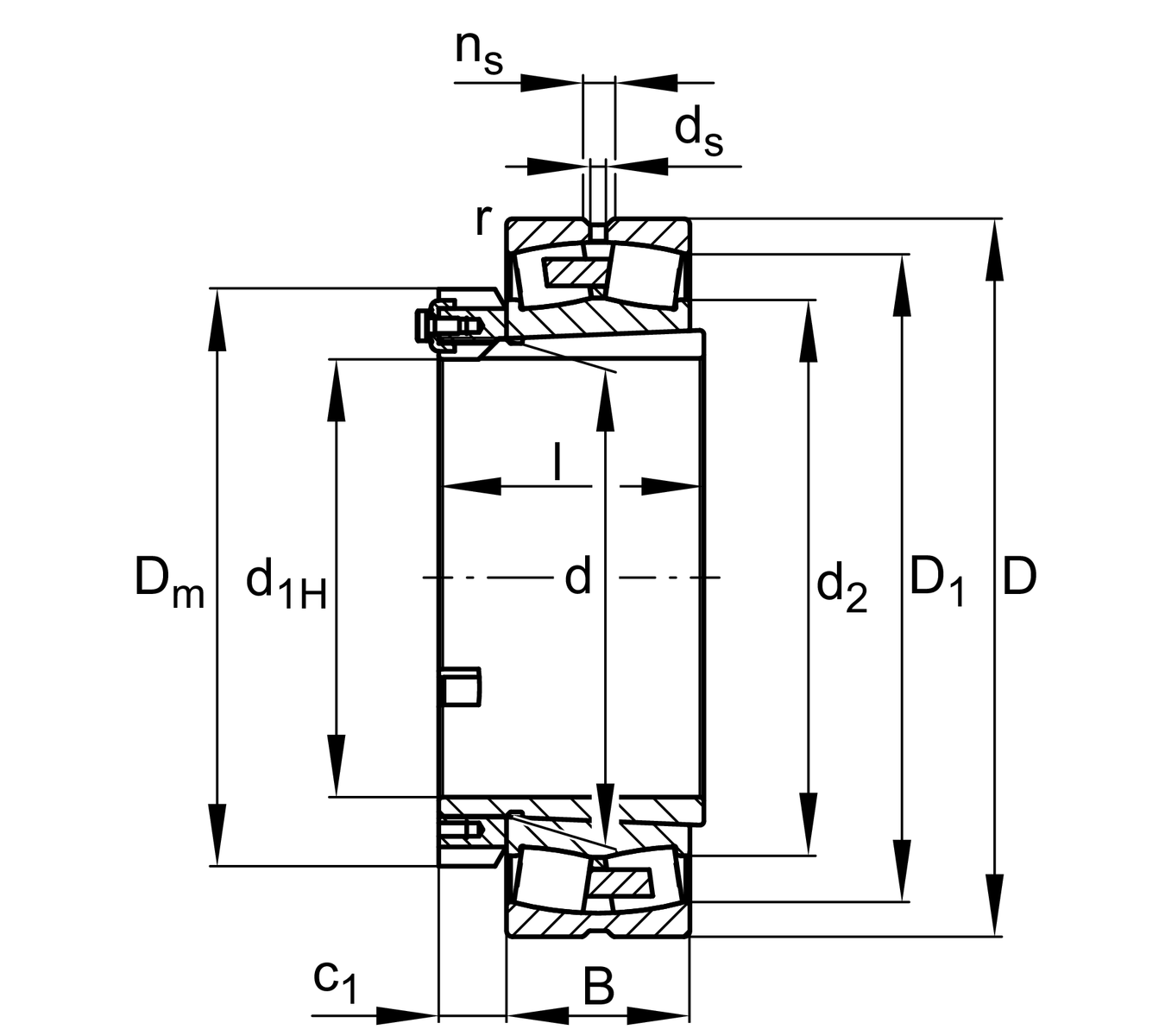
| da min | 280 mm | Minimum diameter shaft shoulder |
| Da max | 460 mm | Maximum diameter of housing shoulder |
| ra max | 4 mm | Maximum recess radius |
| da max | 308 mm | Maximum diameter of shaft shoulder |
| db min | 276 mm | Minimum cavity diameter of the sleeve |
| Ba min | 25 mm | Minimum cavity width of the sleeve |
| rmin | 5 mm | Minimum chamfer dimension |
| D1 | 415.1 mm | Bore diameter outer ring |
| ds | 12.5 mm | Diameter lubrication hole |
| ns | 23.5 mm | Width of lubricating groove |
| Tmin | -30 °C | Operating temperature min. |
| Tmax | 200 °C | Operating temperature max. |
| e | 0.26 | Limiting value of Fa/Fr for the applicability of diff. Values of factors X and Y |
| Y1 | 2.57 | Dynamic axial load factor |
| Y2 | 3.83 | Dynamic axial load factor |
| Y0 | 2.52 | Static axial load factor |
| H3152X | Adapter sleeve | |
| AH2252G | Withdrawal sleeve |
| Design | BEA | with lose center lip ring |
| Bore type | K | Tapered, taper 1:12 |
| Cage | MB1 | Solid brass cage |
| Radial internal clearance | CN | Group N (CN) |
| Relubrication feature | Standard |
Characteristics