Avada Car Dealership Logo

16003-A-2Z-C3

Home » Product » 16003-A-2Z-C3

16003-A-2Z-C3

Deep groove ball bearing

Deep groove ball bearing 160..-A-2Z, single row, shields, steel sheet metal cage

Description

16003-A-2Z-C3

16003-A-2Z-C3

Metric

Imperial

Main Dimensions & Performance Data
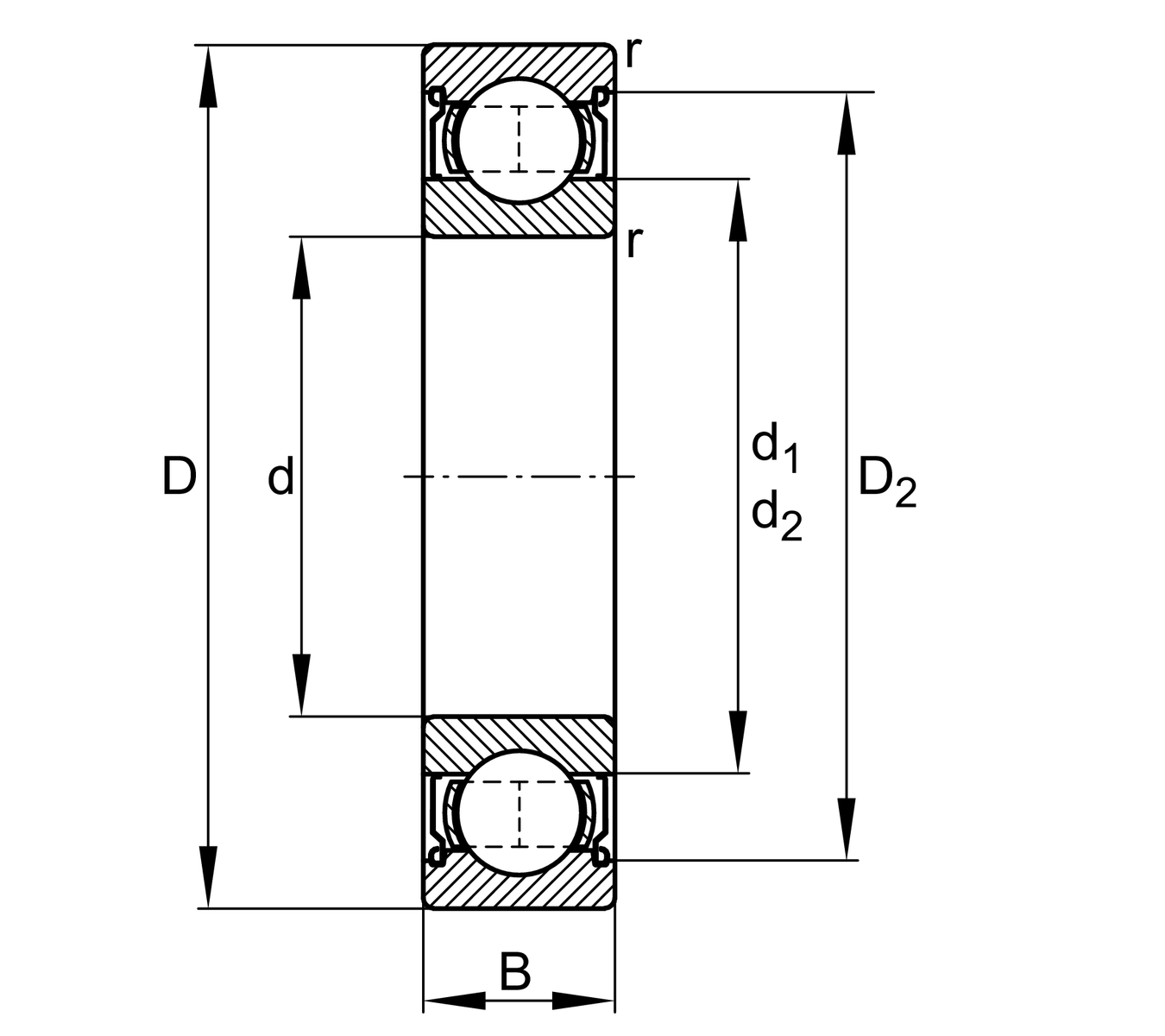
d17 mmBore diameter
D35 mmOutside diameter
B8 mmWidth
Cr6,000 NBasic dynamic load rating, radial
C0r3,250 NBasic static load rating, radial
Cur207 NFatigue load limit, radial
nG26,000 1/minLimiting speed
nϑr17,700 1/minReference speed
≈m33 gWeight
Mounting dimensions
da min19 mmMinimum diameter shaft shoulder
Da max33 mmMaximum diameter of housing shoulder
ra max0.3 mmMaximum fillet radius
Dimensions
rmin0.3 mmMinimum chamfer dimension
D231.65 mmCaliber diameter outer ring
d122.8 mmShoulder diameter inner ring
Temperature range
Tmin-20 °COperating temperature min.
Tmax120 °COperating temperature max.
Calculation factors
f014.3 Calculation factor
Your current product variant
Changed internal designADesign variant A
Sealing2ZNon-contact shield on both sides
CageJNsteel sheet metal
Tolerance classPNNormal (PN)
Dimensional / heat stabilizationSNRings dimensional stabilized up to 120°
LubricantGA14Ball bearing grease, low noise, standard for D<=62mm
Fill factorStandard
Radial internal clearanceC3Group 3 (C3), bigger than CN
Bore typeZCylindrical

Characteristics

clusteriteminfo.radialloadtranslation
clusteriteminfo.axialloadinonedirectiontranslation
clusteriteminfo.axialloadintwodirectionstranslation
clusteriteminfo.lifetimelubricationfreedomfrommaintenancetranslation
clusteriteminfo.greaselubricationtranslation
clusteriteminfo.sealedonbothsidestranslation

recently added Bearing

Title

Go to Top