Description


Metric
Imperial
Main Dimensions & Performance Data
| d | 17 mm | Bore diameter |
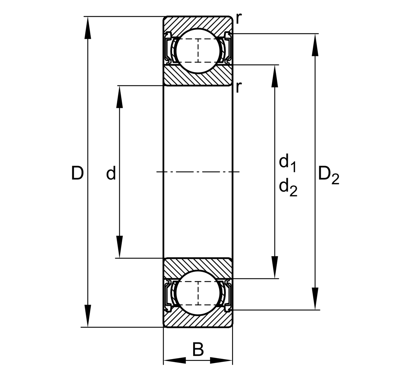
| D | 35 mm | Outside diameter |
| B | 8 mm | Width |
| Cr | 6,000 N | Basic dynamic load rating, radial |
| C0r | 3,250 N | Basic static load rating, radial |
| Cur | 207 N | Fatigue load limit, radial |
| nG | 11,700 1/min | Limiting speed |
| ≈m | 0.032 kg | Weight |
Mounting dimensions
| da min | 19 mm | Minimum diameter shaft shoulder |
| Da max | 33 mm | Maximum diameter of housing shoulder |
| ra max | 0.3 mm | Maximum fillet radius |
Dimensions
| rmin | 0.3 mm | Minimum chamfer dimension |
| D2 | 31.65 mm | Caliber diameter outer ring |
| d1 | 22.8 mm | Shoulder diameter inner ring |
Temperature range
| Tmin | -20 °C | Operating temperature min. |
| Tmax | 100 °C | Operating temperature max. |
Calculation factors
| f0 | 14.3 | Calculation factor |
Your current product variant
| Changed internal design | A | Design variant A |
| Sealing | 2RSR | Contact seal on both sides |
| Cage | JN | steel sheet metal |
| Tolerance class | PN | Normal (PN) |
| Dimensional / heat stabilization | SN | Rings dimensional stabilized up to 120° |
| Lubricant | GA14 | Ball bearing grease, low noise, standard for D<=62mm |
| Fill factor | Standard | |
| Radial internal clearance | CN | Group N (CN) |
| Bore type | Z | Cylindrical |
Characteristics




