Avada Car Dealership Logo

ZL205-DRS

Home » Product » ZL205-DRS

ZL205-DRS

Stud type track roller

Stud type track roller ZL2..-DRS, single row, no eccentric

Replaces
ZL 205 NPDU

Description

ZL205-DRS

Metric

Imperial

Main Dimensions & Performance Data
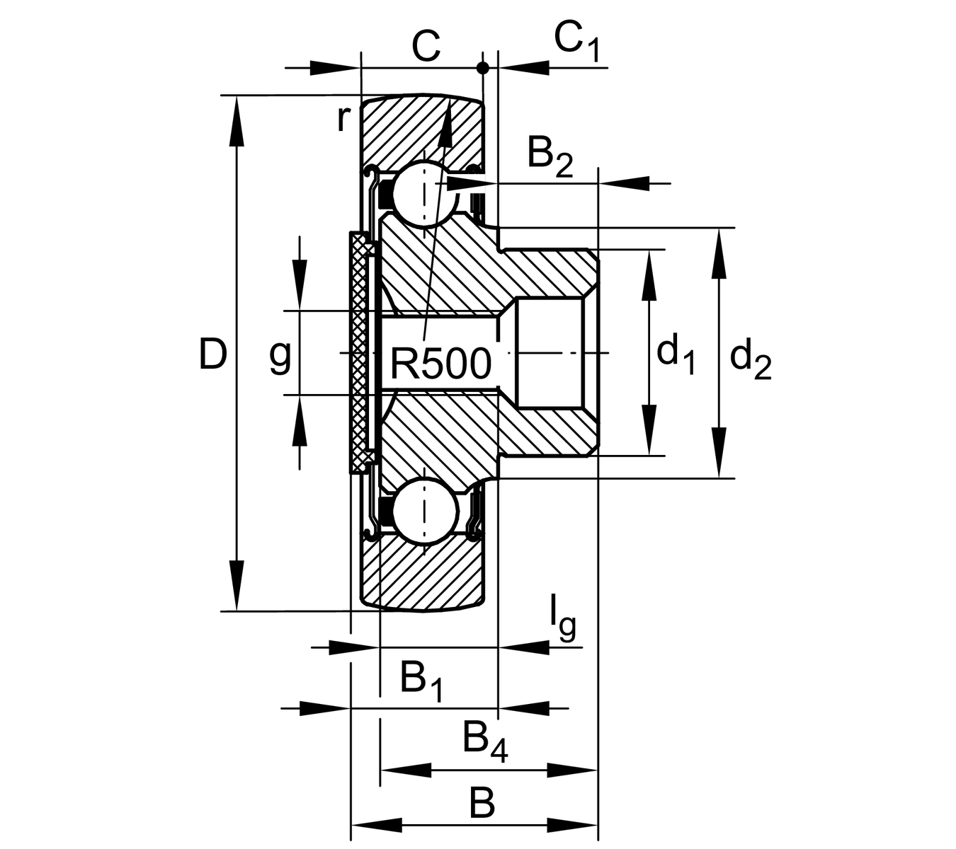
D62 mmOutside diameter
d125 mmFit diameter of roller stud / stud
B33.8 mmWidth
Cr w13,200 NBasic dynamic load rating, radial
C0r w7,200 NBasic static load rating, radial
Cur w365 NFatigue load limit, radial
nD G5,500 1/minSpeed on permanent grease lubrication
≈m0.25 kgWeight
Dimensions
B1 max18 mmMaximum witdh of thrust washer
B216 mmBolt/stud length effectively
B431 mmLength total
C15 mmWidth, outer ring
C12 mmProtrusion outer ring to thrust washer
d230.3 mmStop diameter of thrust washer
rmin1 mmMinimum chamfer dimension
gM10 Thread inside
lg19 mmThread length (inner)
R500 mmRadius of outer ring outside profile
Your current product variant
SealingDRSLip seal on stud side, axial sealing action Sealing shield with cover on the end face
Outer Ring profileR500
Relubrication featureWithout
Assembling aid headMounting slot

Characteristics

clusteriteminfo.radialloadtranslation
clusteriteminfo.axialloadinonedirectiontranslation
clusteriteminfo.axialloadintwodirectionstranslation
clusteriteminfo.lifetimelubricationfreedomfrommaintenancetranslation
clusteriteminfo.greaselubricationtranslation
clusteriteminfo.sealedonbothsidestranslation

recently added Bearing

Title

Go to Top