Description

Metric
Imperial
Main Dimensions & Performance Data
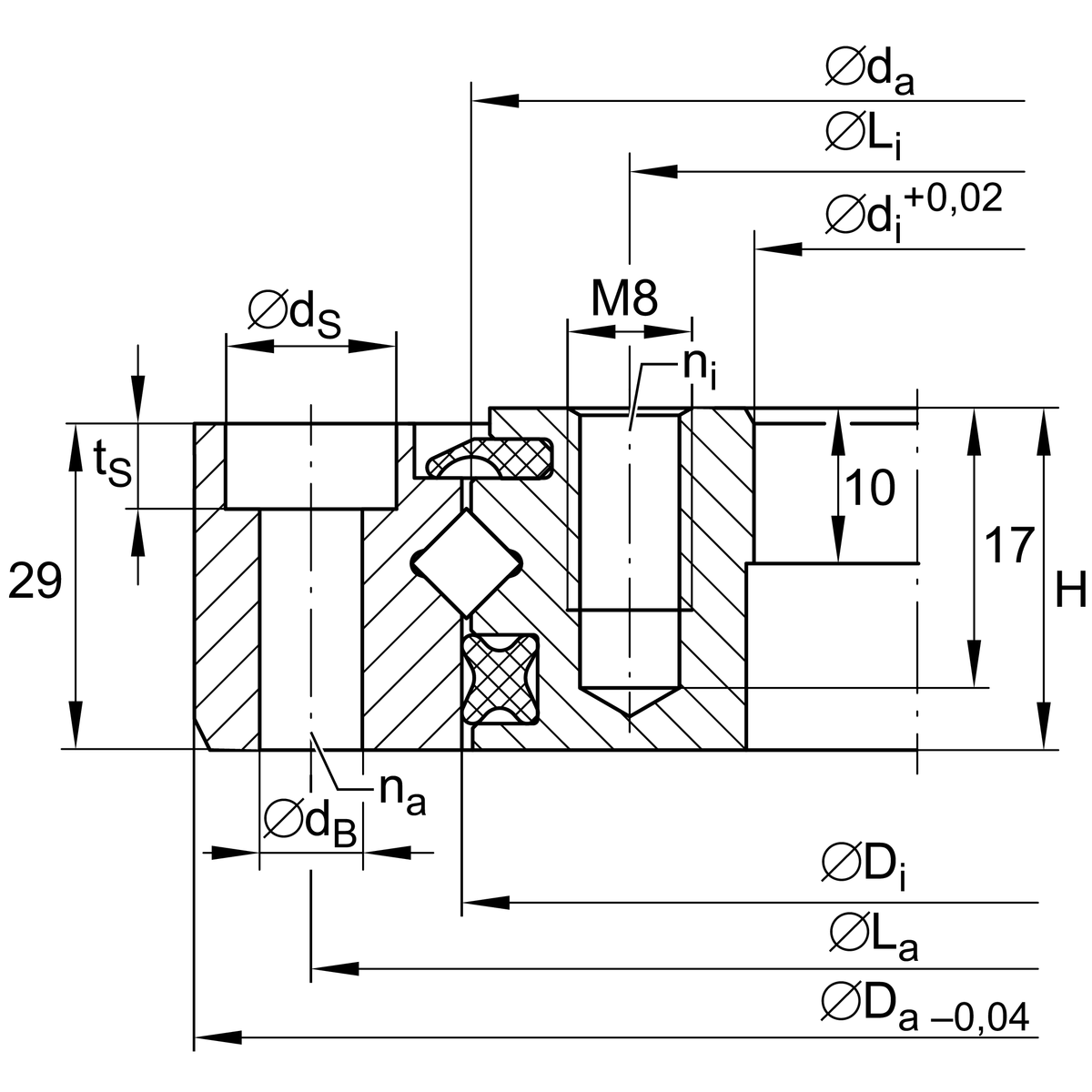
| di | 69 mm | Bore Diameter |
| 0.02 mm | Bore diameter upper tolerance | |
| 0 mm | Bore diameter lower tolerance | |
| t | 10 mm | Length centering inner ring |
| Da | 170 mm | Outside Diameter |
| 0 mm | Outside diameter upper tolerance | |
| -0.04 mm | Outside diameter lower tolerance | |
| H | 30 mm | Height |
| ≈m | 3.902 kg | Weight |
Dimensions
| ha | 29 mm | height outer ring |
| La | 148 mm | Pitchcircle diameter fixing holes outer ring |
| na | 6 | Number of fixing holes in outer ring |
| dB | 9 mm | Fixing bore |
| dS | 15 mm | Counterbore diameter of fixing holes |
| tS | 9 mm | Counterbore depth of fixing holes |
| Li | 90 mm | Pitchcircle diameter fixing holes inner ring |
| ni | 6 | Number of fixing holes in inner ring |
| M8 | Tread fixing bore | |
| tG | 17 mm | Thread depth |
| VSPmin | 0.005 mm | Min. bearing preload |
| VSPmax | 0.008 mm | Maximum bearing preload |
Temperature range
| Tmin | -30 °C | Operating temperature min. |
| Tmax | 80 °C | Operating temperature max. |
Calculation factors
| Ca | 49,000 N | Basic dynamic load rating, axial |
| Cr | 35,000 N | Basic dynamic load rating, radial (for radial load only) |
| C0a | 62,000 N | Basic static load rating, axial |
| C0r | 30,500 N | Basic static load rating, radial (for radial load only) |
| Fr zu. | 10,500 N | Max. radial load screws |
Downloads:
Characteristics




