Description

Metric
Imperial
Main Dimensions & Performance Data
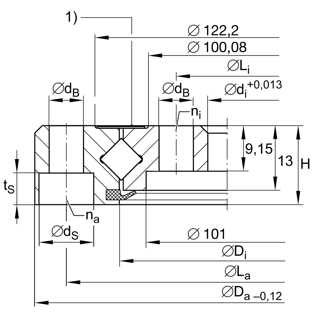
| di | 76.2 mm | Bore Diameter |
| 0.013 mm | Bore diameter upper tolerance | |
| 0 mm | Bore diameter lower tolerance | |
| t | 9.15 mm | Length centering inner ring |
| Da | 145.79 mm | Outside Diameter |
| 0 mm | Outside diameter upper tolerance | |
| -0.12 mm | Outside diameter lower tolerance | |
| H | 15.87 mm | Height |
| 101 mm | Diameter recess turning inner ring | |
| ≈m | 1.2 kg | Weight |
Dimensions
| Di | 111.8 mm | Inner diameter outer ring |
| La | 133.1 mm | Pitchcircle diameter fixing holes outer ring |
| na | 8 | Number of fixing holes in outer ring |
| hi | 13 mm | height of inner ring |
| dB | 6.9 mm | Fixing bore |
| dS | 11 mm | Counterbore diameter of fixing holes |
| tS | 6.35 mm | Counterbore depth of fixing holes |
| Li | 88.9 mm | Pitchcircle diameter fixing holes inner ring |
| ni | 8 | Number of fixing holes in inner ring |
| VSPmin | 0.005 mm | Min. bearing preload |
| VSPmax | 0.02 mm | Maximum bearing preload |
Temperature range
| Tmin | -30 °C | Operating temperature min. |
| Tmax | 80 °C | Operating temperature max. |
Calculation factors
| Ca | 31,500 N | Basic dynamic load rating, axial |
| Cr | 22,500 N | Basic dynamic load rating, radial (for radial load only) |
| C0a | 57,000 N | Basic static load rating, axial |
| C0r | 28,000 N | Basic static load rating, radial (for radial load only) |
| Fr zu. | 7,600 N | Max. radial load screws |
Downloads:
Characteristics




