Description

Metric
Imperial
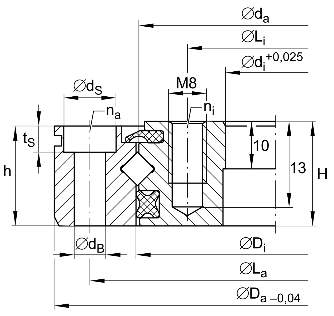
Main Dimensions & Performance Data
| di | 40 mm | Bore Diameter |
| 0.025 mm | Bore diameter upper tolerance | |
| 0 mm | Bore diameter lower tolerance | |
| t | 10 mm | Length centering inner ring |
| Da | 112 mm | Outside Diameter |
| 0 mm | Outside diameter upper tolerance | |
| -0.04 mm | Outside diameter lower tolerance | |
| H | 22 mm | Height |
| ≈m | 1.207 kg | Weight |
Dimensions
| Di | 77.5 mm | Inner diameter outer ring |
| ha | 21 mm | height outer ring |
| La | 97 mm | Pitchcircle diameter fixing holes outer ring |
| na | 6 | Number of fixing holes in outer ring |
| da | 74 mm | Outside diameter inner ring |
| dB | 6.6 mm | Fixing bore |
| dS | 11 mm | Counterbore diameter of fixing holes |
| tS | 5.5 mm | Counterbore depth of fixing holes |
| Li | 56 mm | Pitchcircle diameter fixing holes inner ring |
| ni | 6 | Number of fixing holes in inner ring |
| M8 | Tread fixing bore | |
| tG | 13 mm | Thread depth |
| VSPmin | 0.005 mm | Min. bearing preload |
| VSPmax | 0.008 mm | Maximum bearing preload |
Temperature range
| Tmin | -30 °C | Operating temperature min. |
| Tmax | 80 °C | Operating temperature max. |
Calculation factors
| Ca | 19,600 N | Basic dynamic load rating, axial |
| Cr | 14,000 N | Basic dynamic load rating, radial (for radial load only) |
| C0a | 46,000 N | Basic static load rating, axial |
| C0r | 22,700 N | Basic static load rating, radial (for radial load only) |
| Fr zu. | 5,800 N | Max. radial load screws |
Downloads:
Your current product variant
| Coating | RR | Protected against corrosion by Corrotect special coating |
Characteristics




